Microchip Technology MIC2810 Digitale Leistungsmanagement-ICs
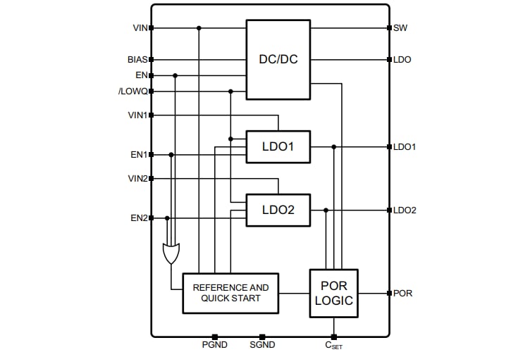
Microchip MIC2810 Digitale Leistungsmanagement-ICs verfügen über drei Ausgangsspannungen mit unabhängiger Freigabe-Steuerung, einen 2-MHz-DC/DC-Wandler und zwei 300-mA-LDOs. Die MIC2810 PMICs verfügen über einen LOWQ-Modus, der die Gesamtstromaufnahme auf weniger als 30 µA reduziert. Der LOWQ-Modus unterstützt ein Ausgangsrauschen von 53 µVRMS auf dem DC/DC-Wandler. Dieses Ausgangsrauschen ist deutlich niedriger als bei anderen Wandlern, die einen PFM-Leichtlastmodus verwenden. Der PFM-Leichtlastmodus kann Auswirkungen auf empfindliche HF-Schaltungen haben.Der DC/DC-Wandler sorgt für einen hohen Wirkungsgrad über einen großen Lastbereich und verwendet kleine Werte von L und C zur Reduzierung der Boardfläche und zur Unterstützung von Lastströmen von bis zu 600 mA. Die LDOs reduzieren den Platzbedarf auf dem Board sowie die Komponentenkosten und erhöhen die Stabilität bei Betrieb mit sehr kleinen Ausgangs-Keramikkondensatoren und -Induktivitäten. Die MIC2810 PMICs sind in einem unbedrahteten 16-Pin-QFN-Gehäuse von 3 mm x 3 mm mit verschiedenen Ausgangsspannungsoptionen verfügbar.
Merkmale
- Eingangsspannungsbereich von 2,7 V bis 5,5 V
- 2-MHz-DC/DC-Wandler und zwei LDOs
- Integriertes Power-on-Reset (POR)
- Anpassbare POR-Verzögerungszeit
- Winziges 16-Pin-QFN-Gehäuse von 3 mm x 3 mm
- LOWQ-Modus
- 30 µA Gesamt-IQ, wenn im LOWQ-Modus
- DC/DC-Wandler
- Ausgangsstrom von bis zu 600 mA im PWM-Modus
- LOWQ-Modus: Leichtlastmodus ohne Welligkeit
- 53 µVRMS Ausgangsrauschen im LOWQ-Modus
- 2 MHz PWM-Modusbetrieb
- >90 % Wirkungsgrad
- LDO1
- Eingangsspannungsbereich: 1,65 V bis 5,5 V
- 300 mA Ausgangsstrom
- Ausgangsspannung bis hinunter zu 0,8 V
- LDO2
- Eingangsspannungsbereich von 2,7 V bis 5,5 V
- 300 mA Ausgangsstrom
- Ausgangsspannung bis hinunter zu 0,8 V
- Übertemperaturschutz
- Strombegrenzungsschutz
- Einfache Verbindung ohne Ableitstrom, um ein MPU in Applikationen mit Notstromversorgung aufzunehmen
Applikationen
- Embedded-MPU- und MCU-Leistung
- Tragbare Applikationen und Wearables
- Stromsparende HF-Systeme
- Notstromversorgungssysteme
Typische Applikations-Schaltung
Funktionsdiagramm
Veröffentlichungsdatum: 2019-06-10
| Aktualisiert: 2023-06-01
