Infineon Technologies TLF11251LD Gate-Treiber und MOSFET
Der Infineon Technologies TLF11251LD Gate-Treiber und MOSFET ist ein integrierter Treiber, eine Halbbrücke mit einem High-Side-p-Kanal- und einem Low-Side-n-Kanal-MOSFET in einzelnen Gehäuse. Die integrierte Pegelverschiebungsstufe ermöglicht die Umwandlung der Eingangslogiksignale auf den Versorgungsspannungspegel der Gate-Treiber. Dieser Pegelwandler und der Gate-Treiber bieten eine Totzeit-Generierung zur Vereinfachung der Schnittstelle mit dem Embedded-Core-Spannungsregler der MCUs. Das TLF11251LD Bauteil ist in der Lage, die Verwendung des TLF35584/85 OPTIREGTM PMIC für 2,5 A mit TC38x/TC39x TriCoreTM AURIXTM 32-Bit-High-End-MCUs der 2. Generation zu ermöglichen. Das Bauteil enthält Schutzfunktionen gegen Überstrom bei High-Side-MOSFETs, Low-Side-MOSFETs und gegen Übertemperaturereignisse.Das TLF11251LD Bauteil wird in einem einzigen Steuereingang mit einer integrierten Totzeit-Logikschaltung geliefert, die eine optimierte Steuerung und einen hohen Wirkungsgrad ermöglicht. Diese Halbbrücke mit einem integrierten Treiber und dem Pegelverschiebungs-Bauteil, wird in einem Temperaturbereich von -40 °C bis +150 °C und einem Spannungsbereich von 3,5 V bis 7 V betrieben. Das TLF11251LD Bauteil wird in einem PG-TSON-10-Gehäuse geliefert und ist AEC-qualifiziert. Diese Halbbrücke mit einem integrierten Treiber und dem Pegelwandler eignet sich hervorragend für den Einsatz in Fahrzeuganwendungen.
Merkmale
- Integrierte komplementäre PMOS- und NMOS-Ausgangsbrücke mit einer Strombelastbarkeit von 2,5 A
- Integrierte Gate-Treiber
- Ein einzelner Steuereingang mit einer integrierten Totzeit-Logikschaltung ermöglicht eine optimierte Steuerung und einen hohen Wirkungsgrad
- Ausgangsstrommessung und -begrenzung
- Übertemperaturschutz
- Niedriger Ruhestrom
- Keine externe Totzeitanpassung erforderlich
- Umweltfreundliches Produkt (RoHS-konform)
Technische Daten
- Versorgungsspannungsbereich: -0,3 V bis 7 V
- Dauersenkenstrombereich: -2,5 A bis 2,5 A
- Gepulster Drainstrombereich: -4,4 A bis 4,4 A
- Sperrschichttemperaturbereich: -40 °C bis +150 °C
- Lagertemperaturbereich: -55 °C bis +150 °C
Applikationen
- Funktionale sicherheitsrelevante Applikationen in:
- Antriebsstrang (z. B. EWS)
- Elektrischer Antriebsstrang (z. B. Wechselrichter)
- Sicherheit (z. B. Sensorfusion)
- Fahrgestell (z. B. Domänensteuerung)
- Karrosserie (z. B. Gateway)
- Ermöglicht eine effiziente Core-Versorgung für TriCore™ AURIX™ High-End-32-Bit-Mikrocontroller der 2. Generation (TC38x/TC39x) mit dem TLF35584/85 OPTIREG PMIC
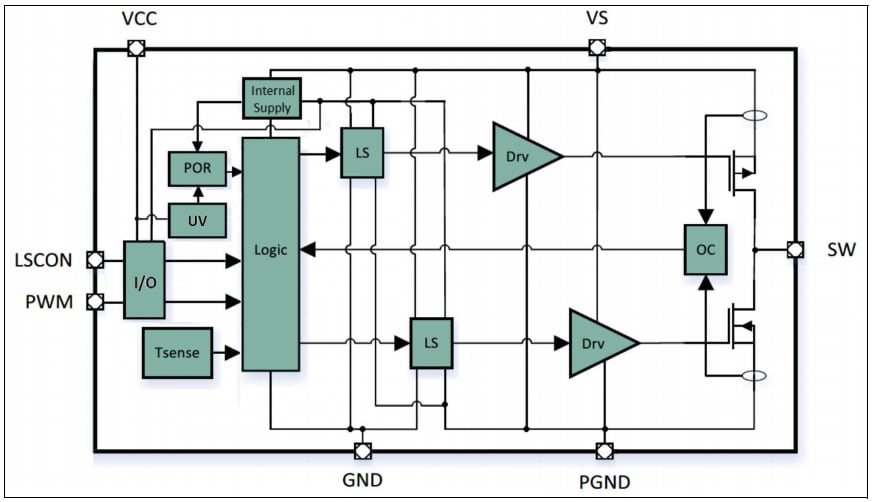
Blockdiagramm
Applikations-Blockdiagramm
Weitere Ressourcen
Applikationsbroschüre
Veröffentlichungsdatum: 2020-10-20
| Aktualisiert: 2024-12-06
