Infineon Technologies TLD5191HB2W_EVAL Evaluierungsboard
Das Infineon Technologies TLD5191HB2W_EVAL Evaluierungsboard ist eine Evaluierungsplattform für den TLD5191ES synchronen MOSFET-H-Brücken-DC/DC-Regler. Dieses Evaluierungsboard verfügt über eine leistungsstarke Auf-/Abwärtswandler-Architektur mit hohem Wirkungsgrad und eine langsame Schalterkonfiguration zum Umschalten zwischen verschiedenen Lastbedingungen. Das TLD5191HB2W_EVAL Evaluierungsboard ist ein EMC-optimiertes Bauteil und bietet einen konstanten Ausgangsstrom (LED-Treiber). Dieses Evaluierungsboard ermöglicht aufgrund des hohen Wirkungsgrads und der reduzierten EMI-Emissionen ein kompaktes Design. Das Evaluierungsboard TLD5191HB2W_EVAL verfügt über einen Versorgungsspannungsbereich von 6 V bis 35 V und einen Ausgangsspannungsbereich von 6,2 V bis 23,6 V. Dieses Board wird in Fahrzeuganwendungen verwendet, die Hochleistungs-LEDs und Zweirad-Außenbeleuchtungsapplikationen antreiben.Merkmale
- Konstantausgangsstrom (LED-Treiber)
- Hochleistungs- und Auf-/Abwärtsarchitektur mit hohem Wirkungsgrad
- Langsame Schalterkonfiguration zum Umschalten zwischen verschiedenen Lastbedingungen
- EMC-optimized Bauteil (Frequenzspreizung (immer eingeschaltet))
- Ermöglicht aufgrund des hohen Wirkungsgrads ein kompaktes Design
- Reduzierte EMI-Emissionen
- Einfache Diagnose der Last durch zuverlässige Schutzfunktionen
Technische Daten
- Ausgangsstrombereich: 150 mA bis 1.000 mA LED-Treibermodus (bis zu 6 A durch Änderung des RSHO)
- Ausgangsspannungsbereich: 6,2 V bis 23,6 V
- 6,2 V bis 35 V Eingangsspannungsbereich
- 385 kHz Typische Schaltfrequenz
Applikationen
- Automotive- oder Zweirad-Außenbeleuchtung (vollständige LED-Scheinwerferbaugruppen (Abblendlicht, Fernlicht, Matrixstrahl und Pixellicht))
- Speziell für den Antrieb von Hochleistungs-LEDs in Fahrzeuganwendungen ausgelegt
PCB-Layout
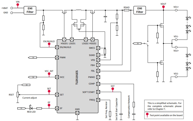
Vereinfachter Schaltplan
Weitere Ressourcen
Veröffentlichungsdatum: 2023-11-15
| Aktualisiert: 2024-01-02
