Infineon Technologies SMPS Hochleistungstopologie ist für Anwendungen mit einer Leistung über 400W geeignet. Im Anschluss an die Frontend-Stufe eines AC-DC-Gleichrichters ist ein DC-DC-Leistungswandler erforderlich, um die Busspannung schrittweise nach unten zu regulieren und einen galvanisch isolierten und streng geregelten DC-Ausgang (z.B. 12V, 24V, 48V) zu erhalten. Während eine Vielzahl von isolierten Topologien zur Verfügung stehen, ist der phasenverschobene Vollbrückenwandler für Anwendungen mit höherer Leistung besser geeignet, aus Gründen wie der inhärenten Nullspannungsschaltung der primären seitlichen Schalter.
Beschleunigen Sie Ihre Netzteil-Designs mithilfe von Dateien des Active Designs, die die Kalkulationen für Leistungsverluste, die Auswahl der Netzgeräte und der passiven Komponenten vereinfachen. Diese Arbeitsunterlagen wurden mit MathCad Express erstellt und sind damit ausführbar. Sie geben den Inhalt der Gestaltungshinweise wieder, die die Grundlagen der jeweiligen Topologie beschreiben. Wenn Sie bereits MathCad auf Ihrem Computer installiert haben, öffnen Sie einfach die .mcdx-Dateien. Dort sind die Eingabefelder für Benutzer grün und orange für Systemanforderungen und die Eigenschaften der Komponenten markiert. Vollbrücken-Spannungsverdoppler 600W Express.mcdx
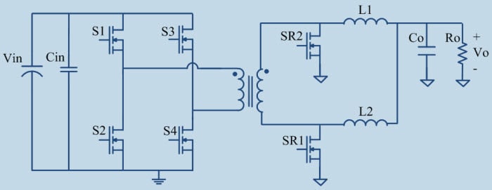
Vollbrücken-Topologie
Boost MOSFETs
Die Serien der Infineon Technologies CoolMOS CP-Leistungs-MOSFETs erfüllen die Anforderungen der Systemminiaturisierung und Effizienzsteigerung, indem sie eine dramatische Verringerung des Drain-Source-Widerstands (RDSon) in einem vorgegebenen Paket, eine ultra-niedrige Gateladung und eine sehr geringe Energie in die gespeicherte Ausgangskapazität ermöglichen. Die CoolMOS CP-Serien sind für Server und Telekommunikationsnetzteile, für Netzteile für Notebooks, LCD TV, ATX und Gaming-Netzteile und Vorschaltgeräte für Leuchten entwickelt worden.
Merkmale
Niedrigstes Leistungsmerkmal RON x Qg
Ultrageringe Gateladung
Extrem dv/dt bewertet
Hohe Stoßstromkapazität
Für Anwendungen in der Industrie gemäß JEDEC qualifiziert
Bleifreie Anschlussleitung, RoHS-kompatibel
Anwendungsbereiche
Hart schaltende Topologien für Server und Telekommunikation
ThinQ!™ Generation 5 präsentiert Infineons richtungsweisende Technologie für SiC Schottky Barriere-Dioden. Durch die kompaktere Bauweise und Thinwafer-Technologie zeigt die neue Produktfamilie verbesserte Effizienz über alle Lastbedingungen, die sowohl aus den verbesserten thermischen Eigenschaften als auch dem niedrigeren Gütefaktor (Qc x Vf) resultieren. Die neue Generation thinQ!™ Generation 5 wurde als Ergänzung unserer 650V CoolMOS™-Familien entwickelt: dies gewährleistet die Erfüllung der strengsten Einsatzanforderungen in diesem Spannungsbereich.
Höhere Systemsicherheit durch niedrigere Betriebstemperaturen
Reduzierte EMI
Anwendungsbereiche
Energieversorgung im Schaltmodus
Leistungsfaktorkorrektur
Solar-Wechselrichter
Regler zur Leistungsfaktorkorrektur (PFC-Regler)
Infineons ICE3PCS01G PFC-Regler ist ein 14-poliger Controller-IC mit einem breiten Eingangsbereich für Wandler mit aktiver Blindstromkompensation. Er ist für Wandler mit Aufwärts-Topologie ausgelegt und erfordert wenige externe Komponenten. Als Stromversorgung wird eine externe Hilfsspannung empfohlen, die den IC ein- und ausgeschaltet.
Merkmale
Betriebsmodus PFC-Gleichstrom
Breiter Eingangsbereich von Vcc bis 25V
Programmierbarer Aufwärts-Folgeregler, Stufeneinstellung abhängig von Eingangs- und Ausgangsleistung
Verbesserte Dynamik ohne Eingangsstromverzerrung
Präziser Schwellenwertschutz bei Spannungsabfall
Ausgleich durch externe Stromschleife zur größeren Flexibilität für den Anwender
CoolMOS ist eine revolutionäre Technologie für Hochspannungs-Leistungs-MOSFETs, die gemäß dem Superjunction(SJ)-Prinzip entworfen und von Infineon Technologies auf den Weg gebracht wurde. Die 650V CoolMOS CFD & CFD2-Serie kombiniert die Erfahrung der führenden Anbieter von SJ MOSFETs mit hoher Innovationskraft. Die resultierenden Geräte bieten alle Vorteile eines schnellen Schalt SJ MOSFETs und bieten eine extrem schnelle und robuste Body-Diode. Diese Kombination aus extrem niedriger Schaltung, Kommutierung und Leitungsverlusten sowie höchste Robustheit machen insbesondere Resonanz-Schaltanwendungen zuverlässiger, effizienter, leichter und kühler.
Extrem geringe Verluste durch sehr niedrige FOM RDS(on)*Qg und EOSS
Benutzer- und bedienfreundlich
Für Anwendungen in der Industrie gemäß JEDEC (J-STD20 and JESD22) qualifiziert
Bleifreie Beschichtung, halogenfreie Formmasse
Anwendungsbereiche
Resonanzschaltende PWM-Stufen für PC Silverbox, LCD TV, Beleuchtung, Server und Telekommunikation
Sekundärer MOSFET
Infineon n-Kanal OptiMOS™ Leistungs-MOSFETs sind branchenführende Leistungs-MOSFETs für höchste Leistungsdichte und energieeffiziente Lösungen. Ultraniedrige Gate- und Ausgangsladungen sowie niedrigster Durchlasswiderstand in Gehäusen mit geringem Footprint machen die Infineon n-Kanal OptiMOS™ Leistungs-MOSFETs zur besten Wahl für anspruchsvolle Anforderungen bei Spannungsregler-Lösungen in Servern, Datenkommunikations- und Telekommunikationsanwendungen. Superschnell schaltende Steuerungs-FETs gemeinsam mit niedrigen EMI-Sync-FETs gewährleisten einfach zu entwickelnde Lösungen. Die n-Kanal OptiMOS™ Leistungstransistoren von Infineon stehen für ausgezeichnete Gateladungen und sind für DC-DC-Umwandlung optimiert.