Infineon Technologies SSCB-Evaluierungskit
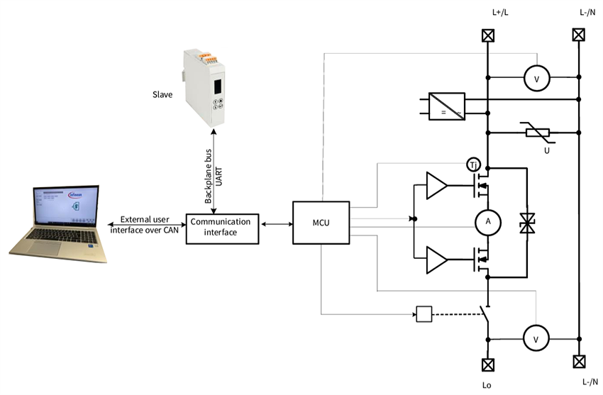
Das Infineon Technologies Solid-State-Leistungsschalter-Evaluierungskit (SSCB) ermöglicht eine einfache Evaluierung von AC- und DC-Typ-Leistungsschaltern mit Hilfe einer interaktiven GUI. Dieses Kit unterstützt einen Betrieb von 110 VAC oder 230 VAC oder 350 VDC und einen Nennstrom von 16 A. Es kann verschiedene SSCB-Topologien wie 1P - N, 3P - N (gestapelt, kaskadiert), L + - L- unterstützen. Das SSCB-Evaluierungskit von Infineon Technologies verfügt über nicht-isolierte integrierte Kühler, die über SiC-MOSFET-Gehäuse (TSC) zur Unterstützung der passiven Kühlung montiert sind.Merkmale
- Potentialfreier Schalter – Back-to-Back(B2B)-Leistungs-MOSFET-Konfiguration für bidirektionale Stromsperrfunktion
- Passive Kühlung mit Oberseitenkühlung (TSC) — Cu-Kühlkörper, der über den MOSFET gelötet ist
- Externer Benutzerschnittstellenbus im Sicherheitsbereich mit extrem niedriger Spannung (SELV) — Hochgeschwindigkeits-CAN und digitaler Sperreingang
- Isolierter Rückwandplatinen-Kommunikationsbus (für Mehrkanal-Konfiguration) im funktionalen Bereich mit extrem niedriger Spannung (FELV) - UART und bidirektionales digitales I/O-Signal
- Schutz- und Überwachungsmaßnahmen:
- Shunt-Widerstand-basierte Kanalstrommessung
- Shunt-Widerstand-basierte Überstromerkennung (OCD)
- Isolierte Kanaleingangs- und Ausgangsspannungsmessung
- Temperaturmessung nahe an der Quelle-Pin-Messung (Tntc) durch NTC
- Überlast- (OVL), Übertemperatur- (OVT), Unterspannungs- (UVP) und Überspannungsschutz (OVP)
- F-RAM für Datenprotokollierung
- Programmierbarkeit und Überwachung mit SSCB-Demo grafischer Benutzeroberfläche (GUI)
- AC- oder DC-Betriebsauswahl
- Positive und negative OCD-Auslöseschwellenwerte
- Übertemperatur-Abschaltung und Wiederherstellungsschwellenwerte
- UVP- und OVP-Schwellenwerte
- Auslösediagramm-Parameter - Nennstrom, statischer Übersteuerungsfaktor, schnelle und langsame Überstromfaktoren und Auslösung integral
- Programmierung In der Applikation zur Kalibrierung der Kanaleingangs- und Ausgangsspannung und des Stroms
- Überwachung und Export von analogen Messungen, wie z. B. VIN, VO, I, f, P, Leistungsfaktor, OCD-Schwellenreferenzen, Tj oder TNTC
- TFT-Display zur Überwachung von V, I, P, f, Tj oder TNTC, SSCB-Zustand und Diagnoseinformationen
- Selbstversorgung - Flyback-Stromversorgung vom Netz, keine externe Versorgung erforderlich
Applikationen
- Industrieautomatisierung
- Solid-State-Leistungsschalter
Lieferumfang Kit
- SSCB-Bauteil - SSCB-Logik- und Leistungsboards im Gehäuse mit einem TFT-Display und einer Tastatur
- SSCB-Demo-GUI - GUI und PCB-Designdaten online verfügbar
- Seeed Studio 114991193 USB-zu-CAN-Analysator
- 24 V, 1 A ADAPTER
Blockschema
Veröffentlichungsdatum: 2024-10-02
| Aktualisiert: 2024-11-01
