Infineon Technologies IR2133/IR2135/IR2233/IR2235 Gate-Treiber-ICs
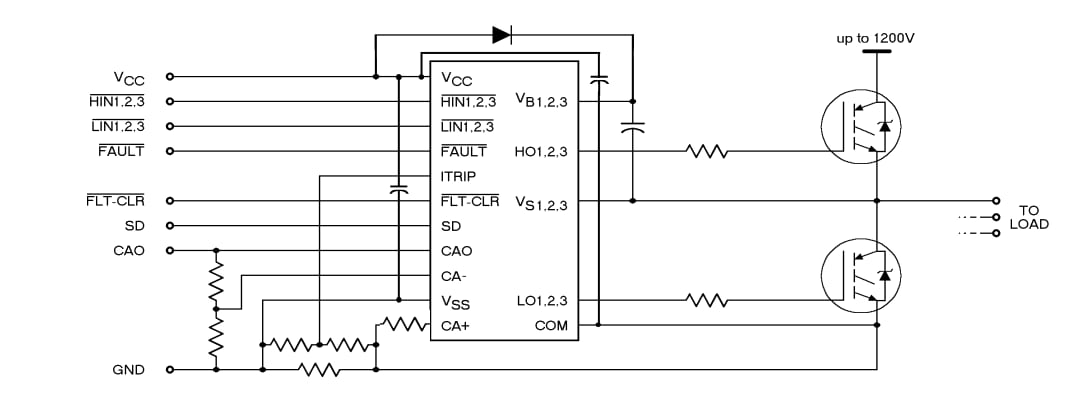
Infineon Technologies IR2133/IR2135/IR2233/IR2235 Gate-Treiber-ICs verfügen über drei unabhängige High- und Low-Side-referenzierte Ausgangskanäle für Dreiphasen-Applikationen. Die Gate-Treiber-ICs verfügen über eine proprietäre HVIC-Technologie, die eine robuste monolithische Bauweise ermöglicht. Die IR2133/IR2135/IR2233/IR2235 ICs verfügen über Logikschaltungseingänge, die mit den CMOS- oder LSTTL-Ausgängen der Logikschaltung bis hinunter zu 2,5 V kompatibel sind. Darüber hinaus bieten die Bauteile einen unabhängigen Operationsverstärker. Dieser Verstärker ermöglicht eine analoge Rückkopplung des Brückenstroms über einen externen Strommesswiderstand.Die IR2133/IR2135/IR2233/IR2235 Gate-Treiber-ICs von Infineon Technologies verfügen über eine verfügbare Abschaltfunktion, um alle sechs Ausgänge zu beenden. Das Open-Drain-FAULT-Signal weist auf eine Überstrom- oder Unterspannungsabschaltung hin. Die Laufzeitverzögerungen werden angepasst, um die Verwendung in Hochfrequenzapplikationen zu vereinfachen. Die potenzialfreien Kanäle können dazu verwendet werden, n-Kanal-Leistungs-MOSFETs oder IGBTs bei einer High-Side-Konfiguration von bis zu 600 V oder 1.200 V anzusteuern.
Merkmale
- Potenzialfreier Kanal, der für den Bootstrap-Betrieb ausgelegt ist
- Vollständig funktionsfähig bis zu +600 V oder +1.200 V
- Tolerant gegenüber negativer Transientenspannung
- dV/dt-immun
- Gate-Treiber-Versorgungsbereich von 10 V/12 V bis 20 VDC und bis zu 25 V für Transienten
- Unterspannungssperre für alle Kanäle
- Überstrom-Abschaltung schaltet alle sechs Treiber aus
- Drei unabhängige Halbbrückentreiber
- Angepasste Laufzeitverzögerung für alle Kanäle
- Kompatibel mit 2,5-V-Logikschaltung
- Phasenversatz-Ausgänge mit Eingängen
- Alle Bauteile sind auch BLEIFREI erhältlich
Applikationen
- Haushaltsgeräte
- Motorsteuerung und -antriebe
- Robotik
- Haus- und Gebäudeautomatisierung
- Elektrowerkzeuge
- 3D-Drucker
Weitere Ressourcen
Typische Verbindung
Funktionales Blockdiagramm
Veröffentlichungsdatum: 2020-07-08
| Aktualisiert: 2024-11-04
