Infineon Technologies EZ-PD™ CCG7SC USB-C PD- und DC/DC-Controller
Infineon Technologies EZ-PD™ CCG7SC Einzelanschluss-USB-C™-Power-Delivery- und DC/DC-Controller sind für Einzel- und Mehrfachanschluss-Applikationen hochintegriert. Der EZ-PD CCG7SC erfüllt die USB-C- und PD-Spezifikationen. Die PD-Lösung mit DC/DC-Controller umfasst einen integrierten ARM® Cortex®-M0-32-Bit-MCU, der die Implementierung benutzerdefinierter Funktionen wie Quellen- Lastverteilung und Steuerung der Systemperipherie mithilfe von PWMs, I2C und SPI ermöglicht.Merkmale
- USBPD
- Unterstützt 1 x USBPD-Anschluss
- Unterstützt USBPD 3.1, einschließlich den programmierbaren Stromversorgungsmodus (PPS)
- Erweiterte Datenübermittlung
- Type-C
- Konfigurierbare Widerstände Rp und Rd
- VBUS-Anbieter NFET-GATE-Treiber
- Integrierte 100mW VCONN-Stromversorgung und Steuerung
- 1 x Auf-/Abwärtswandler, Schaltfrequenz von 150 kHz bis 600 kHz
- 4,5-V- bis 24-V-Eingang, 40-V-tolerant
- Ausgang: 3,3 V bis 21,5 V
- 20 mV Spannung und 50 mA Stromstufen für PPS
- Unterstützt den wählbaren Pulse-Skipping-Modus (PSM) und erzwungenen Dauerstrommodus (FCCM)
- Unterstützt Soft-Start
- Programmierbare Frequenzspreizungsmodulation für niedrige EMI
- Fehlerschutz auf Systemebene
- On-Chip-VBUS-Überspannungsschutz (OVP), Überstromschutz (OCP) und Unterspannungsschutz (UVP)
- VBUS-zu-CC-Kurzschluss-Sicherung
- Unterspannungssperre (UVLO)
- Unterstützt Übertemperaturschutz durch eine integrierte ADC-Schaltung und einen internen Temperatursensor
- Unterstützt die Messung der Stecker- und Leiterplattentemperatur mit externen Thermistoren
- 1x herkömmlicher/proprietärer Ladeblock, unterstützt Qualcomm QC 2.0/3.0/4.0/5.0, Apple-Ladung 2.4A, Samsung adaptive Schnellladung (AFC) und USB BC 1.2
- 32-Bit-MCU-Subsystem
- 48MHz Arm® Cortex®-M0 CPU
- 128-KB-Flash
- 16 KB SRAM
- 32 KB ROM
- Peripherie und GPIOs
- Bis zu 13x GPIOs, einschließlich 2x GPIOs Überspannung
- 2x 8-bit ADCs
- 8 x 16-Bit-Timer/Zähler/PWM (TCPWM)
- 3 x SCB für Kommunikationsschnittstellen (I2C/SPI/UART/LIN)
- Integrierter Oszillator macht einen externen Taktgeber überflüssig
- Stromversorgung
- 4 V bis 24 V Eingang (40 V tolerant)
- Ausgang: 3,3 V bis 21,5 V
- Integrierter LDO, der zu 5 V bei 75 mA fähig ist
- 40-Pin-QFN-Gehäuse (6 mm x 6 mm) mit einem erweiterten Industrietemperaturbereich von -40 °C bis +105 °C
Applikationen
- USB-C-Mehrfachanschluss-Ladegeräte und -Adapter
- USB-C-docking nachgeschaltete Anschlüsse
- Drahtlose/PD-Ladegeräte
- Zigarettenanzünder-Adapter (CLAs)
Logikschaltung - Blockdiagramm
Funktionales Blockdiagramm
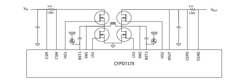
Buck-Boost-Schaltschema mit externen Komponenten
Veröffentlichungsdatum: 2023-09-06
| Aktualisiert: 2025-07-15
