Infineon Technologies EiceDRIVER™ 1ED21x7x 650 V High-Side-Gate-Treiber
Infineon BLUETOOTH EiceDRIVER™ 1ED21x7x 650 V High-Side-Gate-Treiber sind für eine robuste und effiziente Steuerung von Hochspannungs-Leistungstransistoren ausgelegt. Diese Infineon Gate-Treiber verfügen über eine High-Side-Treiber-Architektur, die eine große Auswahl von Applikationen unterstützt, einschließlich Motorantriebe, Solarwechselrichter und Industrie-Stromversorgungen. Mit einer maximalen Nennspannung von 650 V gewährleistet die 1ED21x7x-Serie einen zuverlässigen Betrieb in anspruchsvollen Umgebungen. Zu den wichtigsten Funktionen gehören integrierte Bootstrap-Dioden, schnelle Schaltfunktionen und umfassende Schutzmechanismen, wie z. B. Unterspannungssperre (UVLO) und Überstromschutz. Diese Eigenschaften machen die EiceDRIVER™ 1ED21x7x-Baureihe zu einer idealen Wahl zur Verbesserung der Leistungsfähigkeit und Zuverlässigkeit von Hochspannungsleistungssystemen.Merkmale
- Infineon Dünnschicht-SOI-Technologie
- +650 V Maximale Sperrspannung
- Ausgangsquellen-/Senken-Strombelastbarkeit: ±4 A
- Maximale Versorgungsspannung: 25 V
- Integrierte ultraschnelle Bootstrap-Diode mit niedrigem RDS (ON)
- Negative VS-Transientenimmunität: 100 V
- Erkennung von Überstrom- und Unterspannungsversorgung
- Multifunktions-RCIN/Fault/Enable (RFE) mit programmierbarer Fehlerlösezeit
- Weniger als 100 ns Laufzeitverzögerung
- PG-DSO-8-Gehäuse
- Qualifiziert für Industrieapplikationen gemäß den relevanten Tests von JEDEC47/20/22
- RoHS-konform
Applikationen
- Motorantriebe, Universal-Wechselrichter
- Gabelstapler
- Leichte Elektrofahrzeuge
Technische Daten
- Maximale high-side floating-well-Versorgungsspannung: 672 V
- High-Side Floating-Well-Versorgungs-Offset-Spannungsbereich: 0 V bis 650 V
- Maximale High-Side Floating-Well-Versorgungsspannung: 22 V
- Maximale Low-Side-Versorgungsspannung: 22 V
- Logik-I/O-Spannungsbereich (HIN/RFE): 0 V bis 5 V
- Maximaler High-Side-Well-Offset-Versorgungsverlust: 5 µA
- Maximale VBS-Ruhestromversorgung: 350 µA (270 µA typisch)
- Maximale VCC-Ruhestromversorgung: 400 µA (270 µA typisch)
- Typischer Hochpegel-Ausgangsspannungsabfall: 0,46 V
- Typischer Ausgangsspannungsabfall mit niedrigem Pegel: 0,26 V
- Typischer Spitzenstrom Ein-/Ausschalten: 4 A
- Maximaler Eingangsruhestrom: 1 µA bis 50 µA
- Bootstrap-diode
- Durchlassspannungsbereich zwischen VCC und VB: 0,6 V bis 1,1 V
- Typischer Durchlassstrom zwischen VCC und VB: 71 mA
- Maximaler Widerstand: 50 Ω (35 Ω typ.)
- Umgebungstemperaturbereich: -40 °C bis +125 V
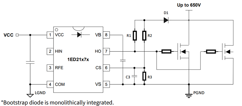
Typische Applikation
Funktionales Blockdiagramm
Veröffentlichungsdatum: 2025-04-14
| Aktualisiert: 2025-04-21
