Diodes Incorporated DMT47M2LDVQ Dual-n-Kanal-Anreicherungstyp-MOSFET
Der Diodes Inc. DMT47M2LDVQ Dual-n-Kanal-Anreicherungstyp-MOSFET ist ein 40-V-MOSFET mit einem niedrigen RDS (ON), der die Durchlassverluste reduziert. Das Bauteil bietet eine niedrige Eingangskapazität und eine schnelle Schaltgeschwindigkeit. Der DMT47M2LDVQ MOSFET von Diodes Inc. ist zur Erfüllung der strengen Anforderungen von Fahrzeuganwendungen ausgelegt. Das Bauteil ist AEC-Q101-qualifiziert und wird von einem PPAP unterstützt.Merkmale
- Ungeklemmte induktive Schaltung von 100 %, Test in der Produktion – gewährleistet eine zuverlässigere und robustere Endanwendung
- Hoher Wirkungsgrad bei der Umwandlung
- Niedriger RDS(ON) - reduziert Durchlassverluste
- Niedrige Eingangskapazität
- Hohe Schaltgeschwindigkeit
Technische Daten
- PowerDI®-3333-8-Gehäuse
- Gehäusematerial: Geformter Kunststoff, umweltfreundliche Formkomponente (UL-Brennbarkeitsklasse 94V-0)
- Feuchteempfindlichkeit 1 gemäß J-STD-020
- Beschichtung: Anschlüsse mit Mattverzinnung gehärtet über Kupferleiterrahmen (lötbar nach MIL-STD-202, Methode 208)
- Gewicht: 0,072 Gramm (Schätzwert)
Applikationen
- Motorsteuerung
- Leistungsmanagementfunktionen
- DC/DC-Wandler
Datenblätter
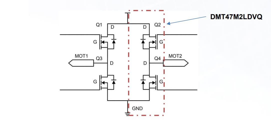
Typischer Applikationsschaltplan
Ersatzschaltung
Veröffentlichungsdatum: 2020-08-26
| Aktualisiert: 2024-08-14
