Broadcom APDS-9700 Signal Conditioning ICs
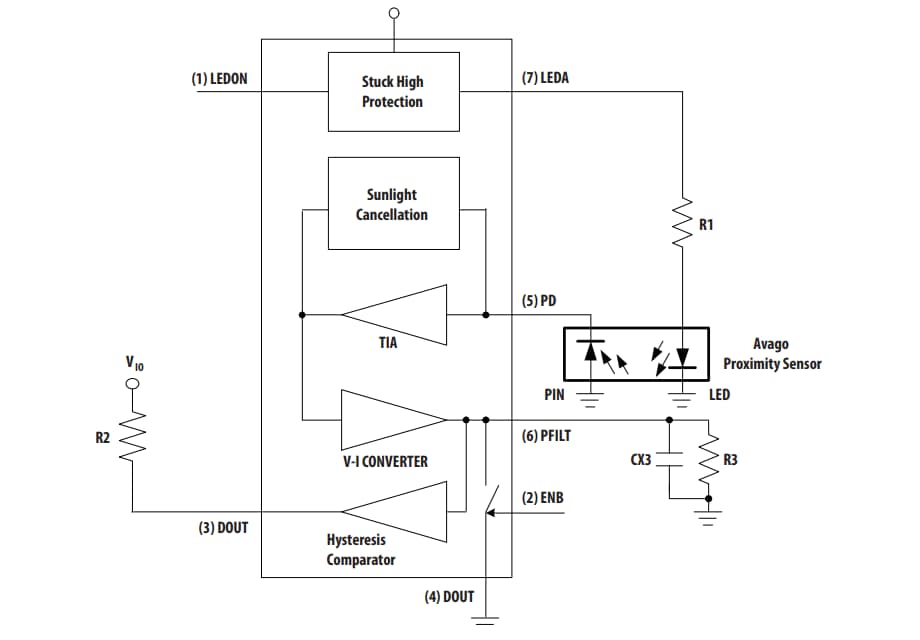
Broadcom APDS-9700 miniature, single-chip signal conditioning IC enhances optical sensor performance for proximity or object detection in consumer and industrial applications. When used with optical proximity sensors, the IC provides accurate and robust detection of objects in ambient light and sunlight conditions and will allow more functionality into applications where PCB space is limited. Packaged in an 8-pin, QFN package, the IC includes an LED driver circuit, artificial light immunity, sunlight cancellation, and a built-in LED stuck high protection circuit to enable operation in artificial and sunlight conditions.Features
- Low power consumption
- LED pulse width control
- Low shut down current
- External LED drive-current control
- Complete shutdown mode
- 2.4V to 3.6V Supply voltage
- Operational in sunlight conditions up to 100klux (with HSDL-9100)
- Artificial light immunity
- Analog & Digital output available
- Built in hysteresis comparator for digital output
- LED stuck High protection
- Wide bandwidth Trans-impedance amplifier
- External capacitor and resistor for integration and gain controls
- Flexibility to enhance detection distance up to 200mm with HSDL-9100 or further with external discretes pair
- Small 2mm x 2mm QFN 8-pin package
- Design flexibility to pair with Avago Proximity Sensors or discretes pair solution
- Lead-free & ROHS Compliant
Applications
- PDA and mobile phones
- Portable and handheld devices
- Personal computers/notebooks
- Amusement/games/vending machines
- Industrial automation
- Contactless switches
- Sanitary automation
Application Circuit
Block Diagram
Veröffentlichungsdatum: 2008-04-23
| Aktualisiert: 2022-03-11
