Broadcom ACPL-K378 Optokoppler zur Spannungs-/Stromerkennung
Broadcom ACPL-K378 Isolierte Optokoppler zur Spannungs-/ Stromerkennung verfügen über einstellbare obere und untere Schwellenwerte. Die Bauteile nutzen Eingangsbuffer-ICs mit Schwellenwerterkennung, welche mit einem einzelnen externen Widerstand die Steuerung von Schwellenwerten über eine große Auswahl von Eingangsspannungen ermöglichen. Der Eingangsbuffer umfasst mehrere Funktionen, darunter Schaltimmunität, Hysterese für verbesserte Störfestigkeit und eine Diodenbrücke für die einfache Verwendung mit internen Klemmdioden und AC-Eingangssignalen. Diese Funktion schützt den Buffer und die LED vor zahlreichen Überspannungs- und Überstromtransienten. Veränderungen in der optischen Kopplung von der LED zum Detektor haben keinen Einfluss auf die Schwellenwerte, da die Schwellenwerterfassung vor dem Ansteuern der LED erfolgt.Der ACPL-K378 Buffer-IC von Broadcom hat eine nominale Einschaltschwelle von 1,3 mA (ITH+) und 3,8 V (VTH+). Die Ausgangsstufe mit hoher Gain verfügt über einen Open-Collector-Ausgang, der sowohl TTL-kompatible Sättigungsspannungen als auch CMOS-kompatible Durchbruchspannungen liefert. Der Benutzer erhält ein ideales Bauelement für Eingangsboards von Industriecomputersteuerungen und weiteren Applikationen, bei denen ein vorgegebener Eingangsschwellenwert wünschenswert ist, indem er mehrere einzigartige Funktionen in einem einzigen Gehäuse kombiniert.
Merkmale
- Großer Erkennungsbereich für AC oder DC
- Vom Benutzer konfigurierbare Einzel-/ DoppelErkennungsstufen
- Integrierte Hysterese, welche die Rauschimmunität verbessert
- Logik-kompatibler Ausgang
- Großer Ausgangsversorgungsspannungsbereich: 2 V bis 18 V
- -40 °C bis +105 °C Betriebstemperaturbereich
- SSO-8-Gehäuse
- Sicherheits- und behördliche Zulassung
- UL 1577-zertifiziert: 5.000 Vrms für 1 Minute
- CSA-Zulassung
- IEC/EN/DIN EN 60747-5-5-Zulassung für verstärkte Isolierung
Applikationen
- Endschaltererkennung
- Niederspannungsdetektoren
- Erkennung von AC-Netz- und DC-Link-Spannung
- Relaiskontaktüberwachung
- Relais-Spulenspannungsüberwachung
- Stromsensoren
- Mikroprozessor-Schnittstelle
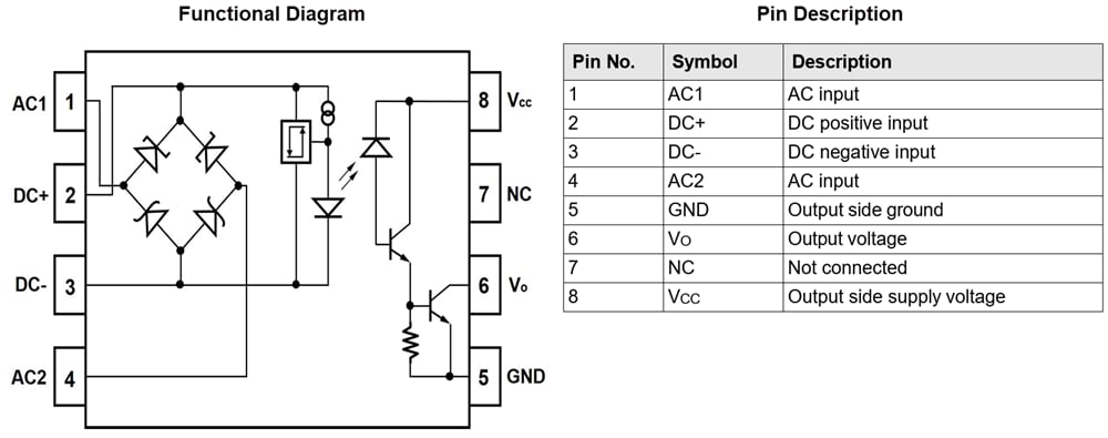
Funktionsdiagramm/Pinbezeichnung
Veröffentlichungsdatum: 2025-11-26
| Aktualisiert: 2025-12-15
