Bourns PER28 Inkrementalring-Encoder mit langer Lebensdauer
Der Bourns PER28 Inkrementalring-Encoder mit langer Lebensdauer verfügt über einen Gehäusedurchmesser von 28 mm mit einer Schaltungskompatibilität von 10 mA bei 5 VDC und einem 2-Bit-Quadratur-Code-Ausgang. Dieser Inkremental-Encoder mit niedrigem Profil bietet eine haptische Einrast-Rückmeldung, eine Abdichtung gemäß IP40-Schutzart und eine Durchsteckmontage. Die Ringschnittstelle ermöglicht die Beleuchtung oder die Installation von weiteren Bauelementen in der Mitte. Andere Funktionen umfassen einen Drehzyklus von 50.000, einen Auflösungsbereich von 15 PPR, eine maximale Drehzahl von 60 U/min und einen Betriebstemperaturbereich von -30 °C bis +80 °C. Der PER28 Inkrementalring-Encoder mit langer Lebensdauer von Bourns eignet sich hervorragend für medizinische und Laborausrüstungen mit geringem/mittlerem Risiko, professionelle Audio- und Beleuchtungsapplikationen sowie Industrieautomatisierungssteuerungen und andere Applikationen, bei denen ein Menüauswahl-Encoder erforderlich ist.Merkmale
- Inkremental-Encoder mit niedrigem Profil und einem Gehäusedurchmesser von 28 mm
- THT-Montageart
- Haptische Einrastrückmeldung
- Abdichtung gemäß IP40-Schutzart
- RoHS-konform
Applikationen
- Professionelle Lichtorgeln
- Verbraucher-Weißware
- Medizintechnik- und Diagnosegeräte mit Niedrig-/Mittel-Risiko
- Prüf- und Messgeräte
- Kommunikationsgeräte
- Laborausrüstung
- Industrieautomatisierungssteuerungen
Technische Daten
- Lebensdauer von 50.000 Umdrehungszyklen
- Auflösungsbereich: 15 PPR
- Maximale Drehzahl: 60 U/min
- Schaltungskompatibilität: 10 mA bei 5 VDC
- 2-Bit-Quadratur-Code-Ausgang
- Betriebstemperaturbereich: -30 °C bis +80 °C
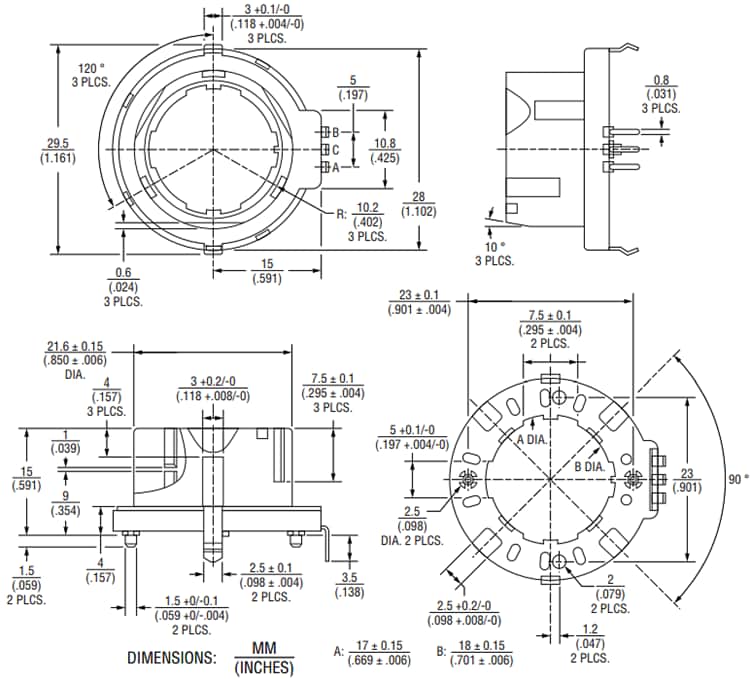
Abmessungen
Veröffentlichungsdatum: 2021-04-28
| Aktualisiert: 2022-03-11
