Bourns ER26A Hochstrom-Flachdrahtinduktivitäten
Bourns ER26A Hochstrom-Flachdrahtinduktivitäten sind für anspruchsvolle Applikationen ausgelegt, die hohe Sättigungsströme und einen niedrigen DC-Widerstand erfordern. Diese magnetisch abgeschirmten Induktivitäten von Bourns verfügen über eine spiralförmige Flachwicklung und einen Hochtemperatur-Ferritkern. Die ER26A-Baureihe bietet einen niedrigen DC-Widerstand (DCR) und einen hohen Sättigungsstrom bei Betrieb über einen Temperaturbereich von -40°C bis +125°C. Applikationen umfassen Industriestromwandler, Telekommunikationsgeräte, erneuerbare Energiesysteme und DC/DC Wandler.Merkmale
- Magnetische Abschirmung
- Ferritkern für hohe Temperaturen
- Spiralförmige Flachwicklung
- Niedriger DC-Widerstand (DCR)
- Hoher Sättigungsstrom
- Stabiler Betriebstemperaturbereich von -40 °C bis +125 °C
- RoHS-konform
Applikationen
- Industrie-Leistungswandler
- Telekommunikationsausstattung
- Erneuerbare Energiesysteme
- DC/DC-Wandler
Technische Daten
- 4,7 µH bis 22 µH Induktivitätsbereich
- ±10 % Toleranz
- DCR
- Typisch: 1,86 mΩ
- 2 mΩ Maximum
- 32 A typischer RMS-Strom
- Typische Sättigungsstrombereiche
- 14 AW bis 87 AW (1)
- 16,4 AW bis 93 AW (2)
Schaltschema
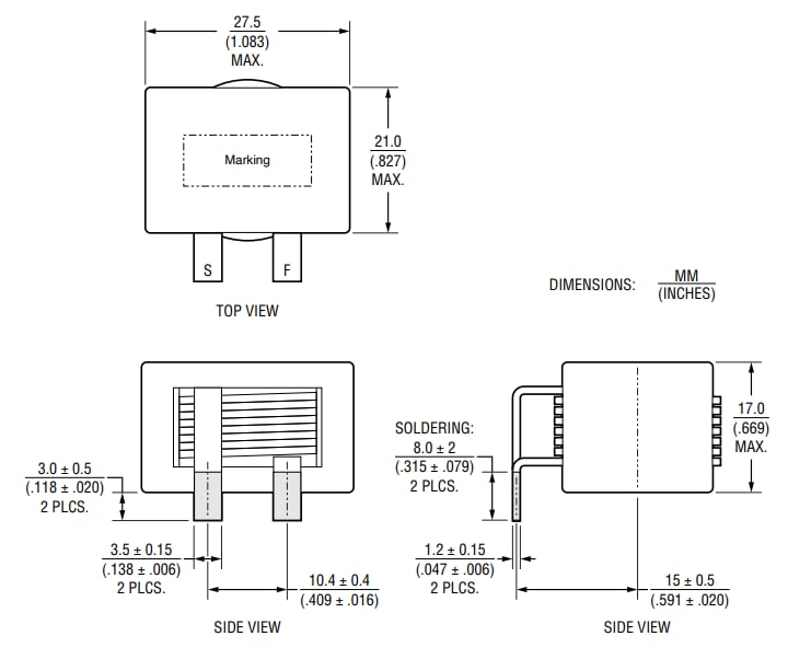
Abmessungen
Veröffentlichungsdatum: 2025-09-19
| Aktualisiert: 2025-09-30
