Bourns 1430-Baureihe Überspannungsableiter
Bourns 1430-Baureihe Überspannungsableiter (SPDs) sind DC-Bauteile der IEC Klasse I + Klasse II, die zum Schutz von Leistungssystemen vor Schäden durch Überspannungen, Blitzschlag und Überspannungen bis zu den Nenngrenzen ausgelegt sind. Diese SPDs mit einem DIN-Schienenmontagedesign schützen DC-Systeme, die bis zu 1.500 VDC betrieben werden und bieten einen maximalen Blitzstoßnennstrom von 80 kA (8/20 μs) pro Pol. Das Metalloxid-Varistor(MOV)-Technologie-Design mit hoher Energie und einem thermischen Trennschalter bietet eine schnelle thermische Reaktion und sichere Trennung. Die SPDs der 1430-Baureihe von Bourns verfügen über eine Statusanzeige, Fernsignalisierungsfunktion und RoHS-Konformität. Zu den Applikationen gehören Photovoltaik-Systeme, DC-Leistung und Ladestationen für Elektrofahrzeuge (EV).Merkmale
- MOV-Technologie mit hoher Energie und thermischem Trennschalter
- Statusanzeige
- Austauschbares modulares design
- Für Gleichtakt- und Differentialmodus-Schutz
- Fernsignalisierungsfunktion
- IEC/EN 61643-31-konform mit Klasse I + Klasse II / T1 + T2 SPD
- RoHs-konform (RoHS-Richtlinie 2015/863, 31. März 2015 und Anhang)
Applikationen
- DC-Leistung
- Photovoltaiksysteme
- EV-Ladestationen
Technische Daten
- Strombelastbarkeit: 80 kA Imax (8/20 µs) und 12,5 kA Iimp (10/350 µs)
- Netzwerkspannungsbereich: 48 VDC bis 1.500 VDC
- Fernsignalisierung
- 250 V / 0,5 A (AC)
- 125 V / 0,2 A (DC)
- Optionen
- Einzelschutz (-P)
- V-Konfiguration (-D)
- Y-Konfiguration (-Y)
- Symmetrische DIN-Schienenmontage von 35 mm
- -40 °C bis +85 °C Betriebstemperaturbereich
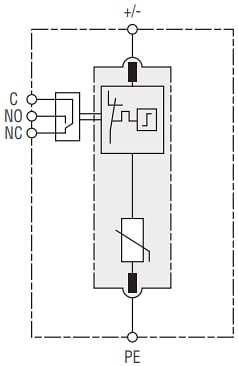
Elektrisches Diagramm
Veröffentlichungsdatum: 2024-08-22
| Aktualisiert: 2024-08-26
