Bosch BMP585 Shuttle Board 3.0
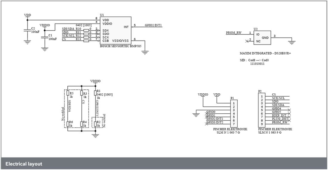
DasBosch Sensortec BMP585Shuttle Board 3.0 ist eine Leiterplatte für die Montage des Druck- undTemperatursensors (BMP585). In Kombination mit dem Application Board 3.0 kann das Shuttle Board verwendet werden, um verschiedene Funktionalitäten des BMP585 zu testen. Das Shuttle Board ermöglicht über eine einfache Buchse einen einfachen Zugang zu den Sensorpins und kann direkt in das Application Board 3.0 von Bosch Sensortec eingesteckt werden.Elektrisches Layout
Board-Abmessungen
Veröffentlichungsdatum: 2023-05-22
| Aktualisiert: 2023-05-31
