Analog Devices / Maxim Integrated MAX77950 Evaluierungskit
Das Maxim Integrated MAX77950 Evaluierungskit bietet eine Ausgangsleistung von 12 W und verwendet mehrere Testpunkte zur Messung des Ausgangs, des Gleichrichter-Ausgangs und einer AC-Spannung. Das MAX77950 Kit erfüllt die Spezifikationsanforderungen für stromsparende WPC- (v1.2) und PMA-(v2.0)-SR1-Kommunikationsprotokolle. Das Kit arbeitet mit Nahfeld-magnetischer Induktion zusammen mit einem WPC- oder PMA-Sender. Im Kit enthalten ist eine planare Spule, um Strom drahtlos zu empfangen oder zu übertragen und eine Windows®-basierte Software, die eine grafische Benutzeroberfläche (GUI) bereitstellt. Weitere Merkmale sind ein bewährtes PCB-Layout, LED-Anzeige zur Überwachung des Betriebs sowie RoHS-Konformität.Merkmale
- Einsatzbereites Evaluierungskit mit Empfängerspule
- Mehrere Testpunkte zur Messung der Ausgangsspannung (VOUT), der Gleichrichter-Ausgangsspannung (VRECT) und der AC-Spannung
- Grafische Benutzeroberflächen-(GUI)-Software für Multifunktionstests
- LED-Anzeige zur Überwachung des Betriebs
- RoHS-konform
- Bewährtes PCB-Layout
- Vollständig bestückt und getestet
Lieferumfang Kit
- Funkleistungssender mit WPC/PMA-Konformität
- Mikro-USB-Kabel
- Digitalmultimeter (DVM)
- Windows-PC
- Optional: DC-Stromversorgung und elektronische Last
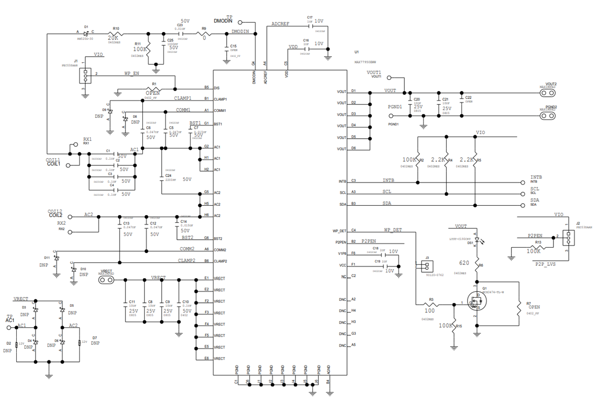
MAX77950 Evaluierungskit - Schaltplan
Veröffentlichungsdatum: 2017-09-20
| Aktualisiert: 2023-04-14
