Analog Devices / Maxim Integrated MAX38800 und MAX38801 Schaltregler
Maxim Integrated MAX38800 und MAX38801 Schaltregler sind Bauteile mit hohem Wirkungsgrad für Applikationen, die von Eingangsversorgungen von 6,5 V bis 14 V betrieben werden und eine maximale Last von bis zu 9 A (MAX388800) oder 15 A (MAX38801) benötigen. Die Bauteile sind eine Einzelchip-Lösung, die eine Leistung mit hohem Wirkungsgrad für präzise Ausgänge liefern und eine schnelle Einschwingzeit verlangen. Die Regler verfügen über zahlreiche Optionen, um eine große Auswahl von Konfigurationen zu ermöglichen.Merkmale
- Lösung mit hohem Wirkungsgrad
- Bis zu 96 % Spitze
- Bis zu 95,5 % Volllast
- Bis zu 94 % Wirkungsgrad bei geringer Last und 1 A mit DCM aktiviert
- Flexibles Design ermöglicht eine frühe PCB-Definition
- Footprint-kompatibel mit MAX38801 (15 A) und MAX38802/MAX38803 (25 A)
- Programmierbare Schaltfrequenz bis zu 1 MHz
- Programmierbarer Soft-Start und STAT-Verzögerungszeiten
- Programmierbare Referenzspannung mit externer Eingangsoption
- Programmierbare positive und negative OCP-Begrenzung
- Erweiterte Architektur, Schutz- und Meldefunktionen garantieren zuverlässige Designs
- Unterstützt stromsenkende und stromziehende Schaltungstechnik
- Analoge Strom- oder Temperatur-Meldung
- Differentielle Fernerkundung mit Leerlauf-Erkennung
- Schnelle Einschwingzeit mit Quick-PWM™-Architektur
- Prozentualer Ausgangs-Power-Good und -OVP
- Open-Drain-Statusanzeige-Pin (STAT)
- Eingangsunterspannungs- und Ausgangsüberspannungssperre
- Adaptive Totzeit-Regelung
- Spart Board-Platz
- Integrierter Aufwärtsschalter
- 19-Bump-WLCSP-Footprint (2,2 mm x 2,8 mm)
- Betrieb mit Keramik-Eingangs- und -Ausgangskondensatoren
Applikationen
- Server/μServer
- I/O- und Chipsatz-Versorgung
- GPU-Core-Versorgung
- DDR-Speicher: VDDQ, VPP und VTT
- Point-of-Load (PoL) Applikationen
Weitere Ressourcen
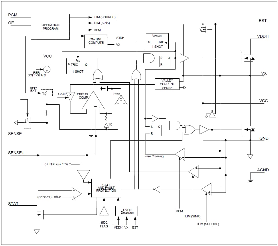
MAX38800 Blockdiagramm
MAX38801 Blockdiagramm
Veröffentlichungsdatum: 2018-01-30
| Aktualisiert: 2023-04-11
