Analog Devices / Maxim Integrated MAX25530 Automotive-Vierkanal-Hintergrundbeleuchtungstreiber

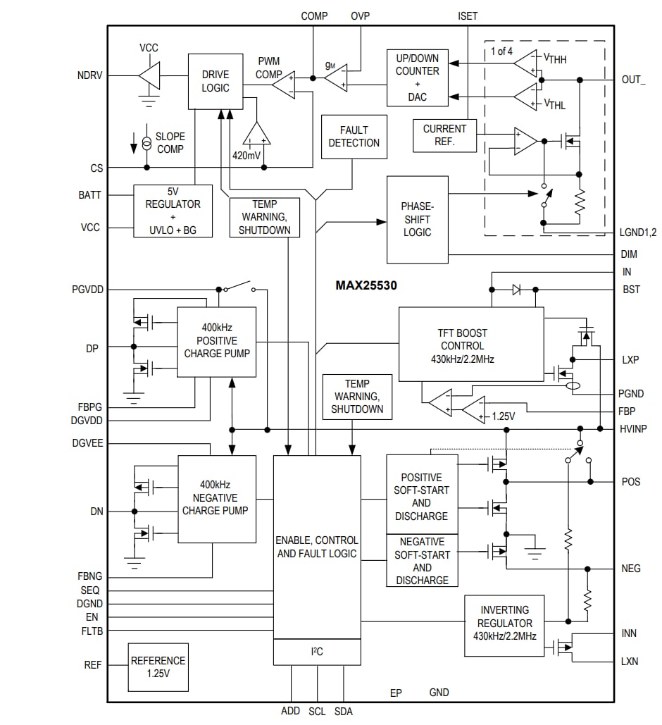
Die MAX25530 Automotive-I2C-gesteuerten 150-mA-Vierkanal-Hintergrundbeleuchtungstreiber von Maxim Integrated sind für Automotive-TFT-LCD-Applikationen ausgelegt. Der MAX25530 verfügt über Auf-/Abwärtswandler, einen Aufwärtswandler, zwei Gate-Treiberversorgungen und einen Aufwärts-/SEPIC-Wandler, der eine oder vier Ketten von LEDs in der Display-Hintergrundbeleuchtung betreiben kann.

Die Quellentreiber-Netzteile des MAX25530 bestehen aus einem synchronen Aufwärtswandler und einem invertierenden Abwärts-/Aufwärtswandler, der Spannungen von bis zu +18 V und bis zu -7 V erzeugen kann. Der positive Quellentreiber kann bis zu 120 mA liefern, während der negative Quellentreiber 100 mA liefern kann.

Die Einschalt- und Abschaltsequenzen für alle Leistungsbereiche werden über einen der sieben voreingestellten Modi gesteuert, die über einen Widerstand auf dem SEQ-Pin oder über die I2C-Schnittstelle wählbar sind.

Der ADI MAX25530 ist in einem 40-Pin-TQFN-Gehäuse (6 mm x 6 mm) mit einem freiliegenden Pad verfügbar und arbeitet über einen Umgebungstemperaturbereich von -40 °C bis +105 °C.

Merkmale

  • TFT-LCD-Vorspannungsleistung mit 4 Ausgängen
    • Eingang von 2,8 V bis 5,5 V für den TFT-LCD-Bereich
    • Integrierte 430-kHz- oder 2,2-MHz-Aufwärts- und Auf-/Abwärtswandler
    • Positive und negative Gate-Spannung von 10 mA
    • Regler (Verdreifacher/invertierender Verdoppler) mit einstellbarer Ausgangsspannung
    • Flexible widerstandsprogrammierbare Sequenzierung über den SEQ-Pin
    • Unterspannungserkennung auf allen Ausgängen
    • Standby-Modus mit niedrigem Ruhestrom
  • Vier Kanal-LED-Hintergrundbeleuchtungstreiber
    • Bis zu 150 mA Strom pro Kanal
    • Eingangsspannungsbereich: 4,5 V bis 42 V
    • Integrierter Boost-/SEPIC-Controller (440 kHz oder 2,2 MHz)
    • Verdunkelungsverhältnis 10.000:1 bei 200 Hz
    • Adaptive Spannungsoptimierung zur Reduzierung der Verlustleistung in den LED-Stromsenken
    • Offene Ketten-, Kurzschluss-LED- und Kurzschluss-zu-GND-Diagnosefunktionen
  • Niedrige EMI
    • Phasenverschobene Verdunkelung der LED-Streifen
    • Frequenzspreizung auf LED-Treiber und TFT
    • Wählbare Schaltfrequenz
  • I2C-Schnittstelle für Steuerung und Diagnose
    • Fehleranzeige über den FLTB-Pin und I2C
    • Automatische Wiederholung nach Fehlererkennung
  • Überlast- und thermischer Schutz
  • Umgebungstemperaturbetrieb: -40 °C bis +105 °C
  • 40-Pin-TQFN-Gehäuse (6 mm x 6 mm) mit freiliegendem Pad
  • AECQ100 Klasse 1

Applikationen

  • Automotive-Armaturenbretter
  • Zentrale Automotive-Informationsdisplays
  • Automotive-Frontscheibendisplays
  • Automotive-Navigationssysteme

Blockdiagramm

Blockdiagramm - Analog Devices / Maxim Integrated MAX25530 Automotive-Vierkanal-Hintergrundbeleuchtungstreiber
Veröffentlichungsdatum: 2021-04-05 | Aktualisiert: 2023-04-13