Analog Devices Inc. MAX25431 Automotive-H-Brücken-Buck-Boost-Controller

Der Automotive-H-Brücken-Buck-Boost-Controller MAX25431 von Analog Devices Inc. arbeitet mit Eingangsspannungen von 6 V bis 36 V und verbraucht dabei einen Ruhestrom von nur 55 μA bei Nulllast. Der breite Eingangsspannungsbereich in Kombination mit der Fähigkeit, eine konstante Ausgangsspannung während Batterietransienten aufrechtzuerhalten, macht den MAX25431 ideal für Fahrzeuganwendungen.

Bei Leichtlast-Applikationen ermöglicht ein Logikeingang (FSYNC) den Bauteilen den Betrieb im Skip-Modus für reduzierten Stromverbrauch oder im erzwungenen Festfrequenz-PWM-Modus. Der FSYNC eliminiert Frequenzschwankungen und trägt zur Minimierung der EMI bei. Der MAX25431 Controller bietet eine Schaltfrequenz, die von 220 kHz bis 2,2 MHz programmierbar ist und mit einem externen Taktgeber synchronisiert werden kann. Der Automotive-Controller MAX25431 von Analog Devices verfügt über eine feste Ausgangsspannung von 5 V oder eine anpassbare Ausgangsspannung von 3 V bis 25 V. Zu den Schutzfunktionen gehören eine zyklusweise Strombegrenzung gefolgt von einem Hiccup bei anhaltender Überlast, Eingangs-Unterspannungssperre (UVLO), einem Ausgangsüberspannungsschutz und einer thermischen Abschaltung mit automatischer Wiederherstellung.

Der Automotive-H-Brücken-Buck-Boost-Controller MAX25431 ist in einem kleinen 4 mm x 4 mm 24-poligen TQFN-EP SW-Gehäuse untergebracht.

Merkmale

  • Erfüllt die strengen Anforderungen der Automobilindustrie an Qualität und Zuverlässigkeit
    • Der VIN -Betriebsbereich von 6 V bis 36 V ermöglicht den Betrieb unter Kaltstartbedingungen
    • Verträgt Eingangstransienten bis 40 V
    • EN-Pin-kompatibel von +3,3 V bis +40 V
    • Automotive-Temperaturbereich -40 °C bis +125 °C
    • AEQ-100-qualifiziert
  • Effiziente Lösung in einer kleinen Größe
    • Skip-Modus für einen effizienten stromsparenden Betrieb
    • Feste Ausgangsspannung von 5 V und einstellbar von 4 V bis 25 V
    • Die hohe Schaltfrequenz ermöglicht die Verwendung von kleinen externe Komponentenn
    • Kleines 24-poliges SWTQFN-Gehäuse, 4 mm x 4 mm
  • Der niedrige Ruhestrom hilft Designern, die strengen OEM-Stromanforderungen zu erfüllen
    • Ruhestrom von 55μA im STANDBY-Modus
    • Ruhestrom bei Abschaltung: 10 μA (max.)
  • EMI-Reduzierung zur Erfüllung der Anforderungen der CISP25 Klasse 5
    • 220 kHzz bis 2,2 MHzz Betriebsfrequenz
    • Festfrequenz-PWM-Modus
    • Externe Frequenzsynchronisierung oder SYNC-OUT-Fähigkeit (über OTP-Option wählbar)
    • Die Frequenzspreizung kann für den IC über die OTP-Option aktiviert oder deaktiviert werden

Applikationen

  • Infotainmentsysteme
  • Karosserieelektronik
  • Start-Stopp-Systeme
  • Punktlast-Netzteil
  • USB-Stromversorgung

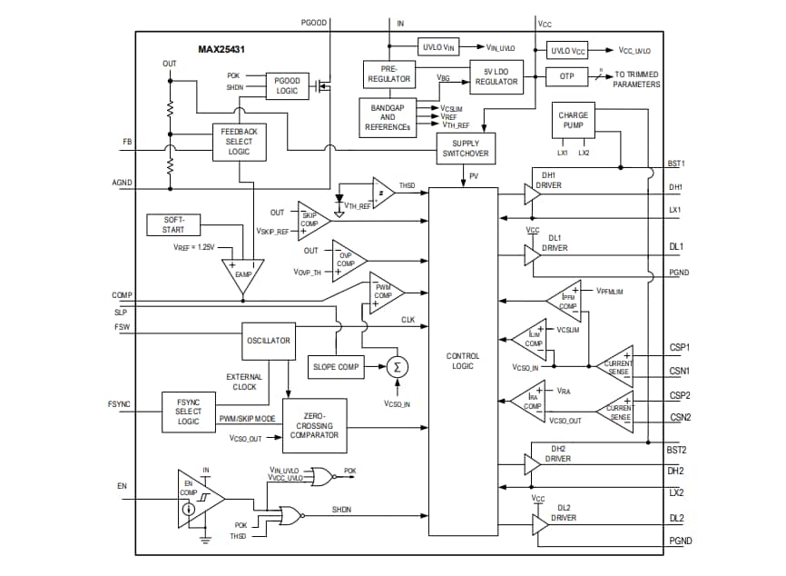
Blockdiagramm

Blockdiagramm - Analog Devices Inc. MAX25431 Automotive-H-Brücken-Buck-Boost-Controller
Veröffentlichungsdatum: 2020-07-30 | Aktualisiert: 2024-06-17