Der MAX17702 Ladegerät-Controller für Blei-Akkus von Analog Devices wird über einen großen Temperaturbereich von -40 °C bis +125 °C betrieben und bietet eine vollständige Ladelösung für Blei-Akkus mit einer präzisen Konstantstromregelung von ±4 %. Die Ausgangsspannung ist von 1,25 V bis zu (VDCIN bis 2,1 V) mit einer Regelungsgenauigkeit von ±1 % programmierbar. Das Bauteil verwendet einen externen nMOSFET, um eine versorgungsseitige Kurzschluss-Sicherung zu bieten und eine Batterieentladung zu verhindern.
Der MAX17702 lädt den Akku im Konstantstromzustand (CC) und Konstantspannungs(CV)-Absorptionszustand auf und geht nach Erkennen des Schwellenwerts des Taper-Current oder der Zeitüberschreitung des Absorptions-CV-Timer in einen potentialfreien CV-Absorptionszustand über. Ein Komparator mit tiefer Entladungserkennung ermöglicht die Erkennung und Vorkonditionierung von tiefentladenen Batterien.
Der MAX17702 wird in einem 24-Pin-TQFN-Gehäuse von 4 mm x 4 mm mit einem freiliegenden Pad angeboten.
Merkmale
- Optimierter Funktionssatz für Blei-Akkus
- Regelungsgenauigkeit des Ladestroms von ±4 %
- Genauigkeit der Ladestromüberwachung (ISMON) von ±6 %
- Spannungsregelungsgenauigkeit von ±1 %
- Programmierbarer Konstantstrommodus(CC)-Ladestrom (ILIM)
- Vollständige Batterieerkennung mit Taper-Current-Schwellenwert und CV-Absorptions-Timer (TMR)
- Großer Eingangsspannungsbereich von 4,5 V bis 60 V
- Einstellbarer Ausgangsspannungsbereich von 1,25 V bis zu (VDCIN bis 2,1 V)
- Von 125 kHz bis 2,2 MHz einstellbare Frequenz mit
- Externe Taktsynchronisierung (RT/SYNC)
- Zuverlässiger Betrieb unter rauen Umgebungsbedingungen
- Eingangs-Kurzschluss-Sicherung (GATEN)
- Erkennung eines tiefentladenen Akkus und Vorkonditionierung (DDTH)
- Temperaturmessung und Laden des Akkus, wenn er sich innerhalb des Temperaturbereichs (TEMP) befindet
- Temperaturkompensation der Ausgangsspannung
- Zyklus-für-Zyklus-Überstrombegrenzung
- Programmierbarer EN-/UVLO-Schwellenwert
- Statusausgangsüberwachung über Open-Drain-Ausgänge (FLG1 und FLG2)
- Übertemperaturschutz
- Großer Umgebungsbetriebstemperaturbereich von -40 °C bis +125 °C/Sperrschichttemperaturbereich von -40 °C bis +150 °C
Applikationen
- Industrie-Akkuladesysteme und Industrie-Energiespeicherung
- Elektrowerkzeuge
- Notstromversorgung mit Akkus für Beleuchtung, Sicherheitskameras und Steuertafeln
- Tragbare Industrieausrüstung
- Notstromversorgung von Gebäude- und Heimautomatisierung
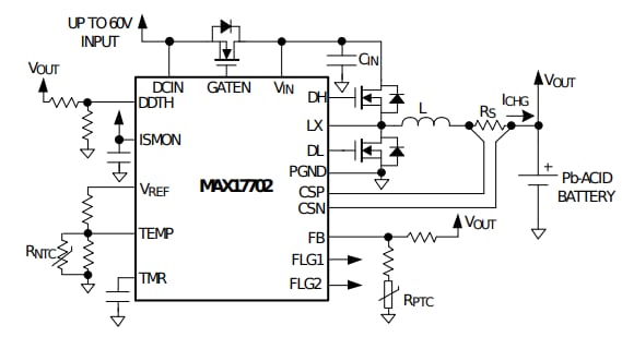
Vereinfachte Applikations-Schaltung

