Analog Devices / Maxim Integrated MAX77278 Extrem stromsparender PMIC

Der Maxim Integrated MAX77278 extrem stromsparende Leistungsmanagement-IC (PMIC) bietet eine hochintegrierte Akkuladungs- und Netzteillösung für Applikationen mit geringem Stromverbrauch, bei denen Größe und Wirkungsgrad entscheidend sind. Dieser PMIC verfügt über einen Abwärts-/Aufwärts-Regler mit Einzelinduktivität und Mehrfachausgang (SIMO), der drei unabhängig programmierbare Stromschienen aus einer einzelnen Induktivität bietet. Der MAX77278 PMIC bietet ein hochkonfigurierbares lineares Ladegerät, das eine große Auswahl von Li+-Batteriekapazitäten unterstützt und eine Temperaturüberwachung enthält. Dieses Bauteil enthält eine programmierbare Strom-Ableitvorrichtung, die einen IR-LED antreiben kann, acht Universal-I/O-Pins (GPIO) und einen analogen Multiplexer-Ausgang (AMUX).

Der MAX77278 PMIC bietet eine bidirektionale I2C-Schnittstelle, die den Bauteilzustand konfiguriert und prüft. Ein interner Ein-/Aus-Controller bietet eine kontrollierte Startsequenz für die Regler und eine Überwachungsfunktion, wenn das Bauteil eingeschaltet ist. Der MAX77278 PMIC wird mit zahlreichen werksseitig programmierbaren Optionen angeboten, der die Anpassung des Bauteils an viele Endapplikationen ermöglicht.

Merkmale

  • Hochintegriert:
    • Smart Power Selector™ Li+/Li-Poly-Ladegerät
    • SIMO-Abwärts-/Aufwärtswandler mit drei Ausgängen
    • 50 mA LDO
    • Programmierbarer 250 mA bis 425 mA Stromsenkentreiber
    • Analoger MUX-Ausgang für die Leistungsüberwachung
    • Acht GPIOs (konfiguriert für Ein-Tasten-Aktivierung und Zwei-Tasten Abschaltung)
  • Flexibel und konfigurierbar:
    • I2C-kompatible Schnittstelle
    • Acht GPIOs
    • Werksseitige OTP-Optionen verfügbar
  • Ladegerät optimiert für kleine Batteriegröße:
    • Programmierbarer Schnellladestrom von 7,5 mA bis 300 mA
    • Programmierbare Batteriespannungsregelung von 3,6 V bis 4,6 V
    • Programmierbarer Abschlussstrom von 0,375 mA bis 45 mA
    • JEITA-Batterie-Temperaturüberwachung passt den Ladestrom und die Batteriespannungsregelung für ein sicheres Laden an

Technische Daten

  • Betriebstemperaturbereich von -40 °C bis +85 °C
  • Stromsparend:
    • 0,3 μA Standby-Strom
    • 16 mA Betriebsstrom
  • Kleine Größe:
    • 3,15 mm x 2,15 mm x 0,7 mm
    • 35-Bump, 0,4mm-Rastermaß, 7 X 5-Ball-Array, WLP
    • Kleine Gesamtlösungsgröße (24 mm2)

Applikationen

  • Fernbedienungen
  • Wearables
  • Internet of Things (IoT)

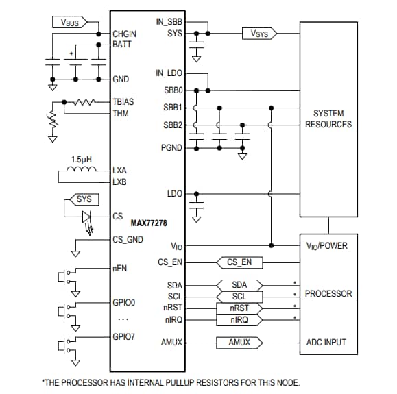
MAX77278 PMIC Blockdiagramm

Blockdiagramm - Analog Devices / Maxim Integrated MAX77278 Extrem stromsparender PMIC
Veröffentlichungsdatum: 2018-08-16 | Aktualisiert: 2023-04-25