Analog Devices Inc. LTC3300 HEV-/EV-Mehrzellenbatterie-Balancer
Die bidirektionalen Multizellenbatterie-Balancer LTC3300 von Analog Devices Inc. fungieren als fehlergeschützter Controller-IC für Transformator-basiertes bidirektionales aktives Balancing von Mehrzellenbatterie-Stapeln. Der LTC3300 enthält alle dazugehörigen Gate-Treiber-Schaltungen, eine präzise Strommessung, Fehlerschutzschaltungen und eine robuste serielle Datenschnittstelle mit integriertem Watchdog-Timer.Die bidirektionalen Multizellenbatterie-Balancer LTC3300 bieten Fehlerschutzfunktionen, die eine Rücklesbarkeit, eine Fehlererkennung mit zyklischer Redundanzprüfung (CRC), maximale On-Time-Voltsekundenklemmen und Überspannungssperren umfassen.
Merkmale
- Bidirektionales Synchron-Flyback-Balancing von bis zu sechs reihengeschalteten Lithium-Ionen- oder LiFePO4-Zellen
- Balancing-Strom von bis zu 10 A (wird durch externe Bauteile vorgegeben)
- Nahtlose Integration mit der LTC680x-Produktfamilie von Multizellenbatteriestapel-Überwachungen
- Bidirektionale Architektur minimiert den Zeitbedarf fürs Balancing und die Verlustleistung
- Wirkungsgrad der Ladungsübertragung: bis zu 92 %
- Stapelbare Architektur ermöglicht Systeme mit Spannungen von >1000 V
- Verwendet einfache Transformatoren mit zwei Wicklungen
- Serielle verkettbare 1-MHz-Schnittstelle mit 4-Bit-CRC-Paketfehlererkennung
- Serielle Kommunikation mit hoher Störfestigkeit
- Zahlreiche Fehlerschutzfunktionen
- 48-Pin-QFN- und LQFP-Gehäuse mit freiliegendem Pad
- Für Fahrzeuganwendungen AEC-Q100-qualifiziert
Applikationen
- Elektrofahrzeuge/Plug-in-HEVs
- Leistungsstarke USV-/Netz-Energiespeichersysteme
- Universal-Mehrzellenbatteriestapel
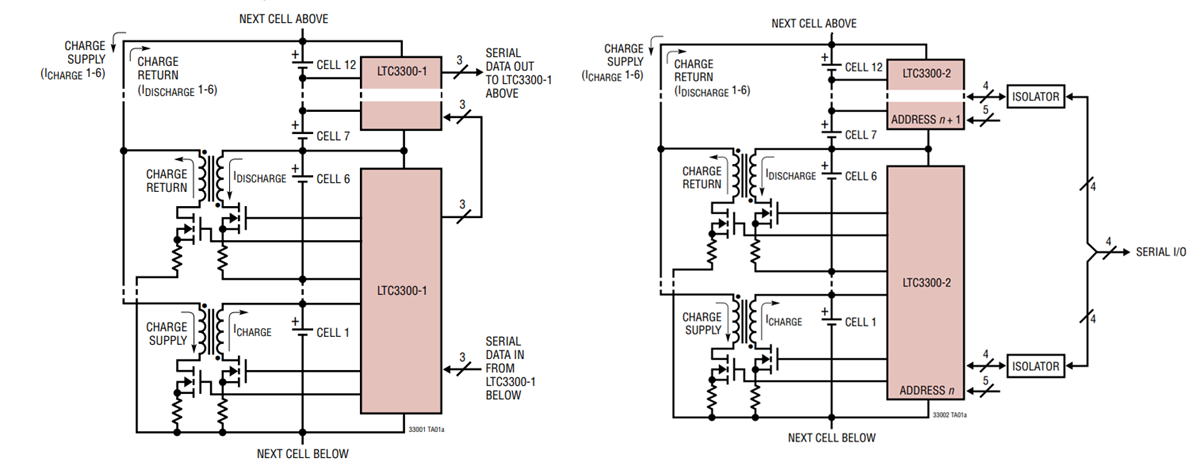
Typische Applikation
Veröffentlichungsdatum: 2019-10-21
| Aktualisiert: 2024-03-07
