Analog Devices Inc. LTC2500-32 32-Bit-Überabtastungs-ADCs
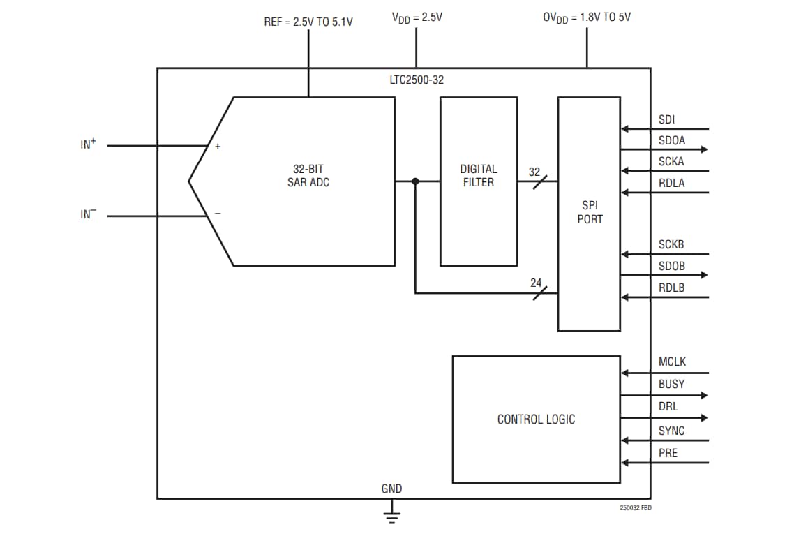
Die LTC2500-32 32-Bit-Überabtastungs-ADCs von Analog Devices bieten mit einem integrierten, konfigurierbaren Digitalfilter ein geringes Rauschen, einen geringen Stromverbrauch und eine hohe Leistungsfähigkeit. Die LTC2500-32 ADCs werden von einer Einzelversorgung betrieben und verfügen über einen vollständig differenziellen Eingabebereich bis zu ±VREF bei einer VREF im Bereich von 2,5 V bis 5,1 V. Das Bauteil unterstützt einen großen Gleichtaktbereich von 0 V bis VREF, was die Anforderungen der analogen Signalkonditionierung vereinfacht.Der LTC23500-32 bietet gleichzeitig zwei Ausgangs-Codes: einen digital gefilterten, hochpräzisen, rauscharmen 32-Bit-Code und einen latenzfreien 32-Bit-Composite-Code. Der konfigurierbare digitale Filter reduziert Messrauschen durch Tiefpassfilterung und eine Unterabtastung des Datenstroms vom SAR-ADC-Core und gibt den gefilterten 32-Bit Ausgabecode aus. Der 32-Bit-Composite-Code besteht aus einem Überlauf-Erkennungs-Bit, einem 24-Bit-Code, der die differenzielle Eingangsspannung darstellt, und einem 7-Bit-Code, der die Gleichtakt-Eingangsspannung darstellt. Der 32-Bit-Composite-Code ist erhältlich in jedem Wandlungszyklus, ohne dass ein Latenz-Zyklus erforderlich ist.
Der digitale Filter ist durch die SPI-kompatible Schnittstelle hochgradig konfigurierbar und verfügt über viele verschiedene Filtertypen, die sich für eine große Auswahl von Applikationen eignen. Der digitale Tiefpassfilter reduziert die Anforderungen für analoges Anti-Aliasing. Mehrere LTC2500-32 Bauteile können problemlos mit dem SYNC-Pin synchronisiert werden.
Merkmale
- ±0,5 ppm INL (typisch)
- Garantierte 32-Bit ohne fehlende Codes
- Konfigurierbarer Digitalfilter mit Synchronisierung
- Reduzierte Anti-Aliasing-Filter-Anforderungen
- 32-Bit-SAR-ADC mit Dual-Ausgang
- Digital gefilterter, rauscharmer 32-Bit-Ausgang
- Differenzieller 24-Bit- und 7-Bit-Gleichtakt-Ausgang mit 1 Msps und Überlauferkennung
- Großer Gleichtakt-Eingangsbereich
- 104 dB SNR (typisch) bei 1 Msps
- 148 dB Dynamikbereich (typisch) bei 61 sps
- Garantierter Betrieb bis 85 °C
- 1,8 V bis 5 V SPI-kompatibler serieller I/O
- Geringer Stromverbrauch: 24 mW bei 1 Msps
- 24-Pin-DFN-Gehäuse von 7 mm x 4 mm
Applikationen
- Seismologie
- Energieexploration
- Automatische Testausstattung
- Messgeräte mit hoher Genauigkeit
Additional Resources
Precision data acquisition for Seismology and Energy Exploration
This article discusses how to design a low noise and low power DAQ solution for seismology and energy exploration.
Blockdiagramm
Typische Applikation
