Analog Devices Inc. LTC2387-16 und LTC2387-18 SAR ADCs
Die SAR-Analog-Digital-Wandler (ADC) LTC2387-16 und LTC2387-18 von Analog Devices Inc. sind rauscharme, schnelle 16- und 18-Bit-ADCs mit einem SAR (Successive-Approximation-Register) von 15 Msps, die sich für eine Vielzahl von Applikationen eignen. Durch die Kombination aus ausgezeichneter Linearität und breitem Dynamikbereich eignen sich die ADCs LTC2387-16 und LTC2387-18 hervorragend für Hochgeschwindigkeitsanwendungen in der Bildverarbeitung und Messtechnik.Die SAR-ADCs LTC2387-16 und LTC2387-18 arbeiten latenzfrei und stellen damit eine einzigartige Lösung für Hochgeschwindigkeitsregelkreisanwendungen dar. Die sehr geringe Verzerrung bei hohen Eingangsfrequenzen ermöglicht Kommunikationsanwendungen, die einen großen Dynamikbereich und eine große Signalbandbreite erfordern. Die Bauteile verfügen über eine serielle LVDS-Digitalschnittstelle, die einen Hochgeschwindigkeitsbetrieb bei gleichzeitiger Minimierung der Datenleitungen ermöglicht. Die LVDS Schnittstelle hat ein- und zweispurige Modi Ausgang, so dass die Schnittstelle für jede Applikation optimierte Datenrate haben kann.
Die SAR-ADCs LTC2387-16 und LTC2387-18 von Analog Devices Inc. haben eine Verlustleistung von 125 mW und sind in einem 32-poligen (5 mm × 5 mm) QFN-Gehäuse untergebracht.
Merkmale
- 15 Msps Durchsatzrate
- Keine Leitungsverzögerung, keine Zykluslatenz
- 93,8 dB SRV (typ.) bei fIN = 1 MHz (LTC2387-16), 95,7dB SRV (typ.) bei fIN = 1 MHz (LTC2387-18)
- 102 dB SFDR (typ.) bei fIN = 1 MHz
- Nyquist-Abtastung bis zu 7,5 MHz Eingang
- Garantierte 16-Bit, (LTC2387-16), garantierte 18-Bit (LTC2387-18), keine fehlenden Codes
- ± 0,8 LSB INL (max.) (LTC2387-16), ± 3 LSB INL (max.) (LTC2387-18)
- 8,192 VP-P Differenzeingänge
- 5-V- und 2,5-V-Versorgung
- Interne Referenz von 20 ppm/°C (max.)
- Serielle LVDS-Schnittstelle
- Verlustleistung: 125 mW
- 32-poliges (5 mm × 5 mm) QFN-Gehäuse
Applikationen
- Hochgeschwindigkeits-Datenerfassung
- Bildverarbeitung
- Kommunikation
- Regelkreise
- Messgeräte
- ATE
Datenblätter
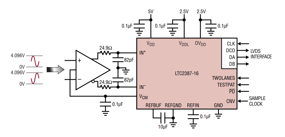
Typische Applikation
