Analog Devices Inc. LT8652S Silent Switcher®-Abwärtsregler
Die Analog Devices LT8652S synchrone Abwärts-Silent-Switcher® sind duale Abwärtsregler, die einen Dauerstrom von bis zu 8,5 A von beiden Kanälen liefern und Lasten von bis zu 12 A von jedem Kanal unterstützen. Der LT8652S verwendet die Silent-Switcher-Technologie der zweiten Generation, einschließlich integrierter Bypass-Kondensatoren, um eine kleine Lösung mit hoher Frequenz, hohem Wirkungsgrad und hervorragender EMI-Leistung zu liefern. Der LT8652S von Analog Devices eignet sich hervorragend für rauschempfindliche Applikationen, wie z. B. PLLs sowie Daten- und Kommunikationssysteme mit hoher Bandbreite.Die schnellen, sauberen und überschwingungsarmen Schaltflanken ermöglichen einen Betrieb mit hohem Wirkungsgrad selbst bei hohen Schaltfrequenzen, wodurch eine große Regelkreis-Bandbreite für ein schnelles Einschwingverhalten ermöglicht wird. Die Ausgangsstromüberwachung und -begrenzung ermöglicht die Auswahl von Induktivitäten für den maximalen Ausgangsstrom in einer bestimmten Applikation. Die Erkennung der Differential-Ausgangsspannung bietet eine genaue Spannungsregelung an der Punktlast für Hochstrom-Applikationen. Die zwei Kanäle können kombiniert werden, um 17 A zu liefern und zwei LT8652S ICs können für eine 4-Phasen-Versorgung von 34 A kombiniert werden.
Merkmale
- Silent Switcher 2-Architektur
- Extrem niedrige EMI auf jeder PCB
- Eliminiert PCB-Layout-Empfindlichkeit
- Interne Bypass-Kondensatoren reduzieren abgestrahlte EMI
- Frequenzspreizungsmodulation
- 8,5 A DC von jedem Kanal gleichzeitig
- Bis zu 12 A auf beiden Kanälen
- Burst Mode®-Betrieb mit sehr niedrigem Ruhestrom:
- 16µA IQ, der 12VIN bist 3,3VOUT (beide Kanäle) regelt
- Ausgangswelligkeit: 10 mVP-P
- Rückkopplungsspannung mit Fernerkundung: ±1,2 % 600 mV
- Ausgangsstromwächter-Pins mit Strombegrenzung
- Erzwungener ununterbrochener Modus
- CLKOUT für bis zu 4-Phasen-Betrieb
- 93,6 % Wirkungsgrad bei 6 A, 3,3 VOUT von 12 VIN bei 1 MHz
- 85,6 % Wirkungsgrad bei 6 A, 1,0 VOUT von 12 VIN bei 1 MHz
- Schnelle minimale Einschaltzeit von 20 ns
- Einstellbare und synchronisierbare Frequenz: 300 kHz bis 3 MHz
- Kleines 36-Pin-LQFN-Gehäuse von 4 mm × 7 mm
- AEC-Q100-qualifiziert für Fahrzeuganwendungen
Applikationen
- Server-Leistungsapplikationen
- Universal-Abwärts
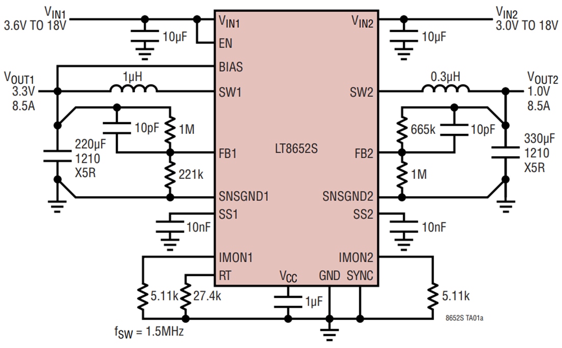
Typische Applikation
Technische Artikel
-
DC/DC-Wandlerlösung für Signal- und Datenverarbeitungsschaltungen
Die Verarbeitungsleistung von FPGAs, SoCs und Mikroprozessoren nimmt ständig zu, wodurch die Anforderungen für die reine Leistung entsprechend ansteigen. Da die Anzahl der erforderlichen Stromschienen sich erhöht und ihre stromführende Kapazität sich erweitert, ist es unerlässlich, in Bezug auf Design und Leistung des Stromversorgungssystems in kleinen und schnellen Dimensionen zu denken.
