Analog Devices Inc. LT8253/LT8253A USB-Type-C™-Auf-/Abwärtswandler

Analog Devices Inc. LT8253 und LT8253A USB-Type-C™-Auf-/Abwärtswandler bieten eine synchrone Leistung mit vier Schaltern, die für eine Automotive-USB-C-Power-Delivery optimiert ist. Die Controller erfüllen die USB-Power-Delivery(PD)-Spezifikation, wenn sie zusammen mit einem USB-Typ-C- oder PD-Anschluss-Controller verwendet werden.

Die LT8253 und LT8253A USB-Typ-C-Auf-/Abwärtswandler von ADI können die Anstiegsrate der Ausgangsspannung über den FB-Pin steuern. Der LT8253 liefert eine Ausgangsleistung von bis zu 100 W mit einem Spitzenwirkungsgrad von 98 %, wenn er unter dem AM-Band betrieben wird. Währenddessen bietet der LT8253A bei einem Betrieb über dem AM-Band eine Ausgangsleistung von bis zu 60 W mit einem Spitzenwirkungsgrad von 95 %.

Die LT8253 und LT8253A ermöglichen einen einzelnen Auf-/Abwärtswandler-Ausgang für einen Typ-C-Anschluss mit einer Power-Good-Flag. Die Bauteile unterstützen Überstrom- und Überspannungsschutzfunktionen sowie eine Kurzschluss-Sicherung.

Merkmale

  • Proprietäre Auf-/Abwärts-Architektur mit niedriger EMI
  • Großer Eingangsbereich von 4 V bis 40 V
  • Synchrone Schaltung mit einem Wirkungsgrad von bis zu 98 %
  • Ausgangsspannungsregelung: ±1,5 %
  • Der Einfachausgang unterstützt einen Typ-C-Anschluss von bis zu 100 W
  • Ausgangskanal-Freigabefunktion
  • Programmierbare Schaltfrequenz mit externer Synchronisierung und Frequenzspreizung
  • Überspannungs- und Überstromschutz sowie Kurzschluss-Sicherung
  • Erhältlich in einem 28-Pin-QFN-Gehäuse
  • AEC-Q100-Qualifizierung noch ausstehend

Applikationen

  • Automotive-USB-C-Power-Delivery
  • Universal-Spannungsregler

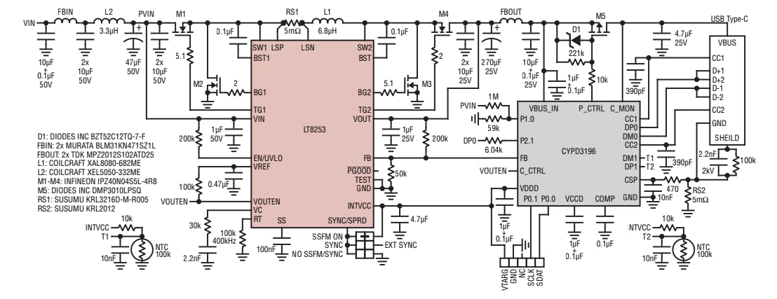
Typische Applikation

Applikations-Schaltungsdiagramm - Analog Devices Inc. LT8253/LT8253A USB-Type-C™-Auf-/Abwärtswandler

Blockdiagramm

Blockdiagramm - Analog Devices Inc. LT8253/LT8253A USB-Type-C™-Auf-/Abwärtswandler
Veröffentlichungsdatum: 2022-03-29 | Aktualisiert: 2022-07-05