Analog Devices Inc. HMC8074 8,3-GHz- bis 15,2-GHz-Quadband-MMIC-VCO
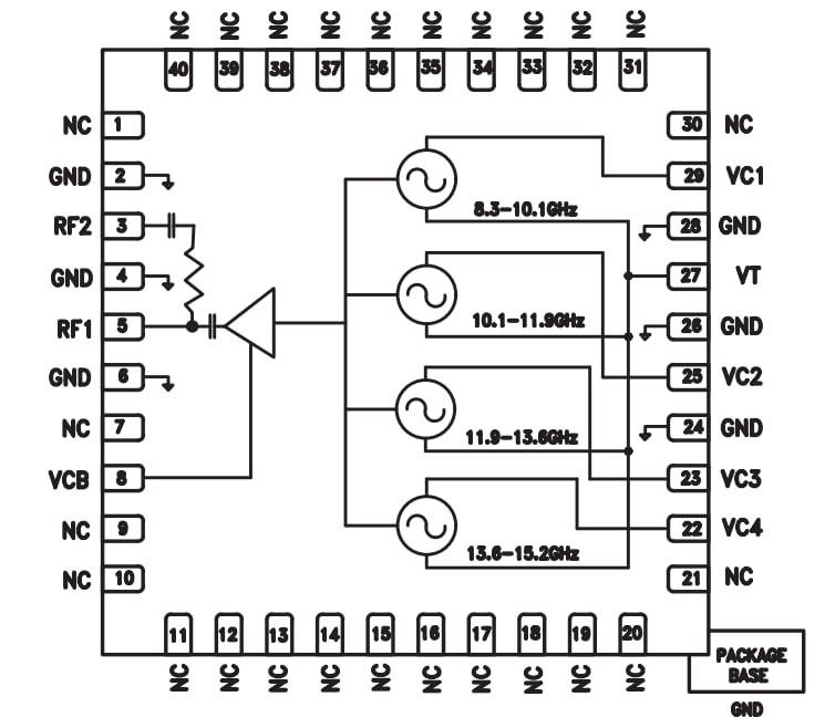
Der Analog Devices Inc. HMC8074 8,3-GHz- bis 15,2-GHz-Quadband-MMIC-VCO enthält Resonatoren, negative Widerstandsbauteile und Kapazitätsdioden und bietet gleichzeitig zwei HF-Ausgangspins. Der VCO HMC8074 zeichnet sich durch eine Phasenrauschleistung aus, die aufgrund der monolithischen Struktur des Oszillators über Temperatur-, Stoß- und Prozessbedingungen hinweg hervorragend ist.Der HMC8074 Quadband-MMIC-VCO von ADI unterstützt eine Versorgung von +4,75 V und eine Ausgangsleistung von typischerweise -5 dBm bzw. +6 dBm für jeden HF-Ausgang.
Der spannungsgesteuerte Oszillator ist in einem unbedrahteten oberflächenmontierbaren QFN-Gehäuse von 6 x 6 mm untergebracht und erfordert keine externen Anpassungskomponenten.
Merkmale
- Dual-Ausgang
- RF1 = -5 dBm bis +6 dBm
- RF2 = -15 dBm bis -4 dBm
- Vier unabhängige VCOS mit gemeinsamen HF- und Tuning-Anschlüssen
- Kein externer Resonator erforderlich
- 40-Pin-SMT-Gehäuse von 6 x 6 mm: 36 mm²
Applikationen
- Rauscharmer Quadband-MMIC-VCO für:
- Testausrüstung und Industriesteuerungen
- VSAT-Funk
- Punkt-zu-Punkt-/Mehrpunkt-Funkübertragung
- Militärische Endnutzung
Weitere Ressourcen
Funktionsdiagramm
SSB-Phasenrauschen gegenüber Abstimmspannung
Veröffentlichungsdatum: 2021-09-17
| Aktualisiert: 2022-03-11
