Analog Devices Inc. Analog Devices AD8285 Radar-Empfangsweg AFE
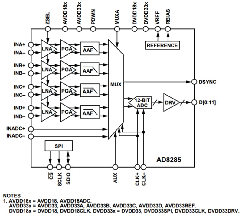
Das Analog Devices AD8285 Radar-Empfangsweg Analog-Frontend (AFE) bietet vier Kanäle eines rauscharmen Vorverstärkers (LNA) mit PGA-Verstärker und Antialiasing-Filter (AAF) sowie einen Direct-to-ADC-Kanal, alles integriert mit einem Einzel-12-Bit AD-Wandler (ADC). Jeder Kanal bietet einen Verstärkungsbereich von 16dB bis 34dB in Schritten von 6dB sowie einen ADC mit einer Wandlungsrate von bis zu 72MSPS. Die kombinierte, eingangsbezogene Rauschspannung des gesamten Kanals beträgt bei maximaler Verstärkung 3,5nV/√Hz. Der Kanal ist für eine dynamische Leistung und niedrigen Stromverbrauch optimiert und eignet sich daher insbesondere für Anwendungen, bei denen eine kleine Gehäusegröße wichtig ist, z. B. Automobilfunk in adaptiven Geschwindigkeitsreglern, Kollisionsvermeidung, Blindfleckerkennung, automatischem Einparken und elektronischem Stoßdämpfer.The combined input referred noise voltage of the entire channel is 3.5nV/√Hz at maximum gain. The channel is optimized for dynamic performance and low power in applications where a small package size is critical such as the automotive radar in adaptive cruise control, collision avoidance, blind spot detection, self parking, and electronic bumpers.
Merkmale
- 4 channel LNA, PGA, and AAF
- 1 direct-to-ADC channel
- Programmable gain amplifier (PGA)
- Includes low noise preamplifier (LNA)
- Serial peripheral interface (SPI) programmable gain 16dB to 34dB in 6dB steps
- Anti-aliasing filter (AAF)
- Programmable third-order, low-pass elliptic filter (LPF) from 1.0MHz to 12.0MHz
- Analog-to-digital converter (ADC)
- 12 bits of accuracy up to 72MSPS
- 68.5dB Signal-to-noise ratio (SNR)
- 68dB at gain =16dB Spurious-free dynamic range (SFDR)
- Low power of 185mW per channel at 12bits and 72MSPS
- Low noise of 3.5nV/√Hz maximum of input referred voltage noise
Applikationen
- Automotive radar
- Adaptive cruise control
- Collision avoidance
- Blind spot detection
- Self parking
- Electronic bumpers
Functional Block Diagram
Veröffentlichungsdatum: 2014-11-18
| Aktualisiert: 2022-03-11
