Analog Devices Inc. Analog Devices AD7685 PulSAR 16-Bit-ADCs
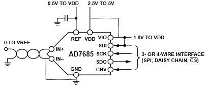
Die AD7685 PulSAR 16-Bit-ADC von Analog Devices sind Analog-Digital-Wandler mit Ladungsumverteilung und schrittweiser Näherung, die mit einem VDD-Netzteil von 2,3V bis 5,5V betrieben werden können. Der AD7685 bietet einen 16-Bit Hochgeschwindigkeits-Abtast-ADC mit äußerst niedrigem Stromverbrauch ohne fehlende Codes, einen internen Wandlertakt und einen vielseitigen seriellen Schnittstellenport. Diese Geräte bieten außerdem Geräuschunterdrückung, große Bandbreite, kurze Öffnungsverzögerung und einen Track-und-Hold-Schaltkreis. Die AD7685 ADC sind kompatibel mit 1,8V, 2,5V, 3V oder 5V Logik, unter Verwendung der separaten VIO-Versorgungen. Unter Verwendung der SPI-kompatiblen seriellen Schnittstelle kann der Entwickler mehrere ADC auf einem einzelnen 3-Draht-Bus verketten oder einen zusätzlichen Tätigkeitsindikator zur Verfügung stellen. Die AD7685 PulSAR 16-Bit-ADCs sind in einem 10-Anschluss-MSOP- oder 10-Anschluss- (QFN) LFCSP-Gehäuse mit einem Betriebsbereich von −40°C bis +85°C erhältlich und eignen sich ideal für batteriebetriebene Ausstattungen, mobile Kommunikation, Datenerfassung, persönliche digitale Assistenten (PDAs), medizinische Instrumente, Messgeräte und Prozesssteuerungen.Merkmale
- 16-bit resolution with no missing codes
- 250kSPS Throughput
- ±0.6 LSB typical, ±2 LSB maximum (±0.003% of FSR) INL
- 93.5dB at 20kHz SINAD
- −110dB at 20kHz THD
- Pseudo-differential analog input range
- 0V to VREF with VREF up to VDD
- No pipeline delay
- Single-supply operation 2.3V to 5.5V with 1.8V to 5V logic interface
- Proprietary serial interface: SPI-/QSPI™-/MICROWIRE™-/DSP-compatible
- Daisy-chain multiple ADCs, BUSY indicator
- Power dissipation
- 1.4μW at 2.5V/100 SPS
- 1.35mW at 2.5V/100 kSPS, 4mW at 5V/100 kSPS
- Standby current: 1nA
- 10-lead package: MSOP (MSOP-8 size) and 3mm × 3mm LFCSP (SOT-23 size)
- Pin-for-pin-compatible with 10-lead MSOP/PulSAR® ADCs
Applikationen
- Battery-powered equipment
- Medical instruments
- Mobile communications
- Personal digital assistants(PDAs)
- Data acquisition
- Instrumentation
- Process controls
Typical Application Circuit
Veröffentlichungsdatum: 2014-07-31
| Aktualisiert: 2022-03-11
