Analog Devices Inc. AD5371 40-Kanal-Ausgangsspannungs-DACs
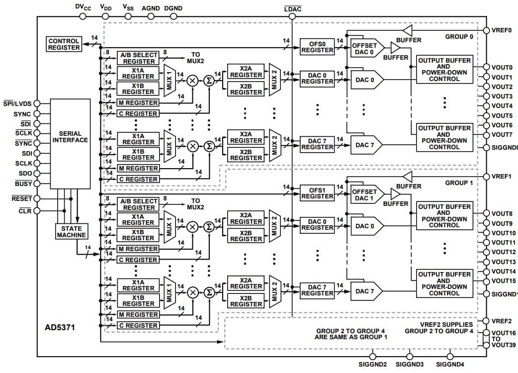
Analog Devices AD5371 40-Kanal-14-Bit-Ausgangsspannungs-DACs mit seriellem Eingang bieten gepufferte Spannungsausgänge mit einem Bereich von vier Mal der Referenzspannung. Jeder Kanal verfügt über eine programmierbare Verstärkung und ein Offset-Einstellungs-Register. Entwickler können die Verstärkung und das Offset der einzelnen DACs zur Fehlerbehebung unabhängig voneinander trimmen. Für zusätzliche Flexibilität ist das Bauelement in fünf Gruppen von acht DACs aufgeteilt. Drei Offset-DACs ermöglichen Entwicklern die Anpassung des Ausgangsbereich der Gruppe. Die AD5371 DACs bieten einen garantierten Betrieb über einen weiten Versorgungsspannungsbereich, mit VSS von -16,5 V bis -4,5 V und VDD von 9 V bis 16,5 V. Die Reservenanforderung für den Ausgangsverstärker beträgt 1,4 V bei einem Laststrom von 1 mA. Die serielle Hochgeschwindigkeits-Schnittstelle des AD5371 ist mit den SPI-, QSPI™-, MICROWIRE™- und DSP-Schnittstellenstandards kompatibel und kann Taktgeschwindigkeiten von bis zu 50 MHz verarbeiten. Die AD5371 DACs enthalten auch eine serielle Schnittstelle mit Niederspannungs-Differentialsignalisierung (LVDS) mit 100 MHz. Die Bauteile aktualisieren die DAC-Register beim Empfang neuer Daten.The Analog Devices AD5371's high-speed serial interface is compatible with SPI, QSPI™, MICROWIRE™, and DSP interface standards, and can handle clock speeds of up to 50MHz. AD5371 DACs also include a 100MHz low-voltage differential signaling (LVDS) serial interface. The devices update the DAC registers on the reception of new data.
Merkmale
- 40-channel DAC in 80-lead LQFP and 100-ball CSP_BGA
- Guaranteed monotonic to 14-bits
- Maximum output voltage span of 4 × VREF (20V)
- Nominal output voltage span of -4V to 8V
- Multiple, independent output voltage spans available
- System calibration function allowing user-programmable offset and gain
- Channel grouping and addressing features
- Thermal shutdown function
- DSP/microcontroller-compatible serial interface
- SPI/LVDS serial interface
- 2.5V to 5.5V digital interface
- Digital reset (RESET)
- Clear function to user-defined SIGGNDx
- Simultaneous update of DAC outputs
Applikationen
- Level setting in Automatic Test Equipment (ATE)
- Variable Optical Attenuators (VOA)
- Optical switches
- Industrial control systems
- Instrumentation
Block Diagram
Veröffentlichungsdatum: 2017-09-30
| Aktualisiert: 2022-04-26
