![]() |
ADLINK CM1-BT1 PC/104 Einplatinenrechner |
|
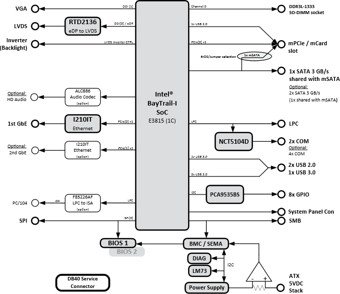
ADLINK CM1-BT1 PC/104 Einplatinenrechner basieren auf einem Single-/Dual-Core Intel Atom-Prozessorsystem auf einem Chip mit bis zu 4GB DDR3L RAM im Betrieb bei 1333MHz. Der CM1-BT1 unterstützt einen VGA- und LVDS-Ausgang, Gigabit Ethernet, 1x SATA, 1x USB3.0, 2x USB2.0 und 8x GPIO. Dieser Einplatinenrechner ist für raue Umgebungen mit einer Betriebstemperatur von -40°C bis 85°C konzipiert. Er unterstützt außerdem die Funktionen von Smart Embedded Management Agent (SEMA). Merkmale
|
Blockdiagramm![]() |
Intel E3800 Atom ProzessorenDie Produktfamilie der Intel E3800 Atom Prozessoren ist der erste für intelligente Systeme konstruierte System-on-Chip (SoC), der überdurchschnittliche Rechen-, Grafik- und Medienleistung liefert und dabei in einem größeren Temperaturbereich einsetzbar ist. Hohe I/O-Konnektivität, integrierter Speicher-Controller, Virtualisierung, Fehlerkorrekturcode (ECC) und integrierte Sicherheitsmerkmale gehören mit einem Bereich der maximalen thermischen Verlustleistung (TDP) von 5W bis 10W zu den herausragenden Funktionen. Diese Produktfamilie eignet sich ideal für effiziente Image-Workflows, digitale Signatur mit sicherer Contentbereitstellung, visuell ansprechende interaktive Clients (interaktive Kioske, intelligente Verkaufs- und Geldautomaten und Point-of-Sale-Terminals (POS)), tragbare medizinische Ausrüstung, industrielle Steuerungssysteme und Infotainment-Systeme in Fahrzeugen (IVI). |
![]() |
Veröffentlichungsdatum: 2014-11-05
| Aktualisiert: 2022-03-11






Datenblatt