Adam Tech DPC DisplayPort Connectors
Adam Tech DPC DisplayPort Connectors are high-bandwidth digital interface connections designed to provide true digital imaging. DPC DisplayPort connectors also feature a multitude of colors and crystal-clear sound through one small plug that can also supply power. These Adam Tech connectors include four main links, one auxiliary channel, and one hot-plug signal line. Adam Tech DPC DisplayPort connectors are designed to work with a wide range of devices, including printers, televisions, camcorders, cameras, and DVD players. The connectors are fully compatible with industry standards and are backwards compatible with VGA, DVI, and HDMI.
Features
- Ultra-small package size
- Hot pluggable
- 6bpp, 8bpp, 10bpp, 12bpps, and 16bpp color depth
- 8.64Gbit/s maximum data rate over a 2m cable
- Can be used in applications up to 15m
- Mates with industry-standard DisplayPort cables
Applications
- Printers
- TVs
- Camcorders
- Cameras
- DVD players
Specifications
- UL 94V-0 flammability rating
- 40VAC operating voltage
- 0.5A maximum current rating
- 30mΩ maximum contact resistance
- 100MΩ minimum insulation resistance
- 500VAC dielectric withstanding voltage for 1 minute
- 10,000 minimum mechanical mating cycles
- -20°C to +85°C operating temperature range
Additional Resources
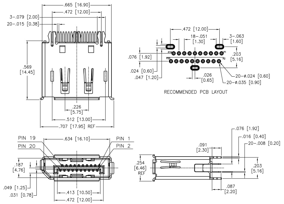
Dimensions
Veröffentlichungsdatum: 2026-02-20
| Aktualisiert: 2026-02-25
