Schweiz - Kennzeichen Schweiz

Incoterms:DDP
Alle Preise sind inklusive Zoll und Gebühren bei der Auswahl der Versandart.

Bitte bestätigen Sie Ihre Währungsauswahl:

Schweizer Franken
Versand ist kostenfrei bei den meisten Bestellungen über CHF 54 (CHF)

Euro
Versand ist kostenfrei bei den meisten Bestellungen über 50 € (EUR)

US Dollar
Versand ist kostenfrei bei den meisten Bestellungen über $60 (USD)

Bench Talk for Design Engineers

Mouser German Blog

rss

Mouser Electronics, Inc german language blogs


Grundlagen von DC/DC-Wandlern Ann-Marie Bayliss

(Quelle: shutterstock.com - spainter_vfx)

 

Die DC/DC-Wandlung ist von grundlegender Bedeutung für das Design moderner elektronischer Systeme. Entwickler müssen daher alle damit verbundenen Aspekte in Bezug auf Effizienz, sicheren Betrieb, Wirtschaftlichkeit, etc. kennen. Ein von Fortune Business Insights veröffentlichter Bericht prognostiziert, dass der globale Markt für DC/DC-Wandler von 9,7 Milliarden US-Dollar im Jahr 2021 auf rund 19,2 Milliarden US-Dollar im Jahr 2028 wachsen wird, mit einer jährlichen Wachstumsrate von 10,2 % über diesen Zeitraum. Zu den Branchen, die dieses Wachstum vorantreiben werden, zählen die Automobilindustrie, die Energieerzeugung aus erneuerbaren Energiequellen und die Unterhaltungselektronik.

Wichtige Topologien

Es gibt zahlreiche Topologien, die in DC/DC-Wandlern zum Einsatz kommen können, wobei die Entscheidung darüber von bestimmten Faktoren abhängt. Die ursprünglichen linearen Wandler (bei denen ein variabler Gleichstromeingang durch einen ohmschen Spannungsabfall in einen konstanten Gleichstromausgang umgewandelt wird) boten nur sehr begrenzte Möglichkeiten, da sie erhebliche Leistungsverluste aufwiesen und Wärme abgeführt werden musste. Mit dem Aufkommen von Schaltnetzteil-Lösungen konnten jedoch höhere Wirkungsgrade erzielt und die Gesamtgröße des Systems verringert werden. Transistorschaltungen werden zur Spannungsregelung eingesetzt, wobei der Ausgangspegel vom Tastverhältnis des Schaltmechanismus abhängt.

Auch wenn heute Schaltwandler weit verbreitet sind, gibt es immer noch Anwendungen, bei denen sich ihre linearen Pendants als sinnvoll herausstellen. Lineare Wandler können sogar besser sein, wenn es auf die Signalintegrität ankommt, z. B. bei Testgeräten oder Kommunikationshardware.

 

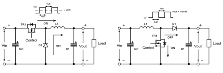
Abbildung 1: Schematische Darstellung der Basistopologien und Schaltwellenformen von Abwärts- und Aufwärtswandlern (Quelle: Murata)

Wir schauen uns zunächst die beiden Typen von Gleichspannungswandlern an, nämlich Abwärts- und Aufwärtswandler. Mit Abwärtswandlern kann ein Gleichstromausgang geliefert werden, der niedriger ist als der Gleichstromeingang. Sie können verwendet werden, um unterschiedliche Spannungsschienen bereitzustellen, so dass empfindliche elektronische Komponenten keinen Spannungsspitzen ausgesetzt sind, die sie sonst beschädigen könnten. Der Schaltmechanismus in einem Abwärtswandler wird mit hoher Frequenz ein- und ausgeschaltet und speichert Energie in einer Drosselspule, wodurch eine Glättung der Ausgangswellenform erreicht wird.

Bei hohen Leistungen können mehrphasige Abwärtswandler eingesetzt werden, um die Belastung der Komponenten auf mehrere Schalter und Induktivitäten zu verteilen. Für einen höheren Wirkungsgrad sind Abwärtswandler mit Synchrongleichrichtung eine gute Wahl, die anstelle der Schottky-Diode einen MOSFET mit niedrigem Durchlasswiderstand verwenden.

Bei der Baureihe 78SR von Murata handelt es sich um ein nicht isoliertes Abwärtswandlermodul, das einen Wirkungsgrad von 83 % erreicht. Es hat einen Eingangsbereich von 7,5 V bis 36 V und unterstützt einen 3,3 V-Ausgang bei 0,5 A.

 

Abbildung 2: Ein Abwärtswandler der Baureihe 78SR von Murata, erhältlich bei Mouser

 

Im Gegensatz zu Abwärtswandlern kann bei Aufwärtswandlern die Ausgangsspannung über die Eingangsspannung hinaus erhöht werden. Dies kann hilfreich sein, wenn man beispielsweise Elektromotoren antreiben möchte. In der Regel sind Spannungserhöhungen um das 4- bis 5-fache der Eingangsspannung möglich, aber es ist ratsam, nicht darüber hinauszugehen.

Isolierung

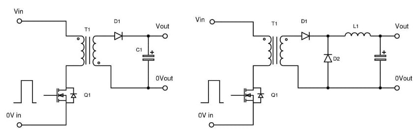
Normale Abwärts- und Aufwärtswandler eignen sich zwar für viele Anwendungen, bieten aber keine galvanische Trennung, da ihre Eingangs- und Ausgangsmassen miteinander verbunden sind. Manchmal ist es notwendig, diese Verbindungen zu unterbrechen, z. B. in medizinischen Geräten. Hier kommen Wandler mit Vorwärts- oder Flyback-Topologien ins Spiel. Bei einer Flyback-Anordnung sind die Wicklungen der Primär- und der Sekundärseite des Stromkreises voneinander isoliert und mit einer Induktionsspule gekoppelt. Beim Schalten wird Energie im Luftspalt der Induktivität gespeichert. Bei einem Vorwärtswandler kommt ein ähnliches Prinzip zur Anwendung, wobei jedoch die Primär- und die Sekundärseite durch einen Transformator getrennt sind. Die Energie wird direkt durch die Spule übertragen und nicht in einer Induktivität gespeichert. Dadurch wird ein höherer Wirkungsgrad erreicht, wobei jedoch auch Nachteile wie höhere Kosten und mangelnde Flexibilität in Kauf genommen werden müssen.

 

Abbildung 3: DC/DC-Wandlertopologien mit Flyback- und Vorwärtswandlung

 

Die Wandlermodule NXJ1 von Murata mit niedriger Bauhöhe und einer Leistung von 1 W für die Flächenmontage zielen auf medizinische Anwendungen ab und verfügen über einen in das Substrat eingebetteten Transformator. Sie wurden für eine Isolierung bis zu 4,2 kVDC getestet.

 

Abbildung 4: Der isolierte DC/DC-Wandler NXJ1 von Murata

 

Magnetische Elemente eliminieren

Bei nicht isolierten Wandlern ist die Einbeziehung von Induktivitäten oder Transformatoren nicht erforderlich. Stattdessen können geschaltete Kondensatoranordnungen verwendet werden. Zwar wirkten sich die Schalt- und Diodenabfälle früher auf den Wirkungsgrad aus, doch durch synchrone Gleichrichtung und den Einsatz modernerer MOSFETs lassen sich höhere Werte erzielen. Mit ihrer proprietären Schaltkondensator-Architektur kann die Psemi-Technologie von Murata Wirkungsgrade von über 96 % erzielen. Sie ist für den Einsatz in engen Bereichen der Telekommunikationsinfrastruktur optimiert.



« Zurück


Ann-Marie Bayliss

 

Product Marketing Manager, Murata Power Solutions

Ann-Marie kam 1997 zu Murata Power Solutions. Sie hat einen BEng (Hons) Abschluss in Elektronik von der University of Central Lancashire. Zu ihren Aufgaben zählen alle Aspekte des technischen und kommerziellen Produktmanagements. Ann-Marie ist seit über 25 Jahren in der Energiewirtschaft tätig.


Alle Autoren

Alle anzeigen Alle anzeigen
Blog nach Datum anzeigen