Texas Instruments DS160PT801 Achtspurige (16-Kanal) Retimer
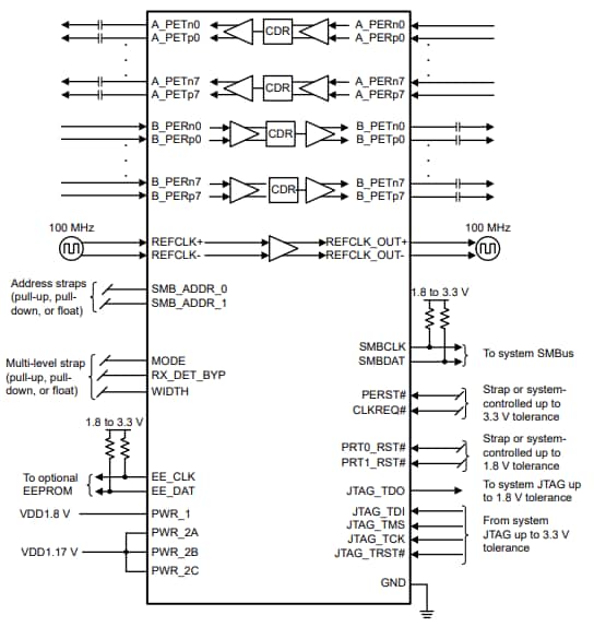
Texas Instruments DS160PT801 Achtspurige (16-Kanal) Retimer sind leistungsstarke protokollfähige PCI-Express-Retimer, die PCIe-Datenraten von bis zu 16 GT/s unterstützen. Die 8 Lanes können in zwei x4-Links aufgeteilt werden, um verschiedene Systemtopologien zu unterstützen. Darüber hinaus unterstützen diese Retimer gängige Takte und separate Referenztakte ohne Frequenzspreizungstaktung (SSC) und Referenztakte mit SSC. Die DS160PT801-Retimer sind über den SMBus konfigurierbar und die anfängliche Konfiguration kann vom externen EEPROM geladen werden. Diese Retimer sind mit der standardmäßigen 1-mm-BGA-Leiterplattenherstellung kompatibel und werden in einem kleinen 8,50 mm x 13,40 mm großen BGA-Gehäuse geliefert.Die DS160PT801-Retimer verfügen über Diagnosefunktionen, einschließlich Empfänger-Loopback, Kodierfehlererkennung, On-Die-Temperatursensor und nicht-destruktiver horizontaler oder vertikaler Out-of-Band-Augenrandüberwachung. Diese Retimer werden in Rack-Servern, Hardware-Beschleunigern, Hochleistungsrechnern und Tower-Servern eingesetzt.
Merkmale
- Unterstützt PCIe-Datenraten von bis zu 16 GT/s
- Die Inter-Chip-Kommunikation (ICC) ermöglicht die Skalierung der doppelten Chip-Link-Breite zur Bildung eines 16-spurigen Retimers der 4. Generation.
- Unterstützt gemeinsamen Taktgeber, separaten Referenztaktgeber ohne Frequenzspreizungstaktung (Spread Spectrum Clocking, SSC)
- Unterstützt separaten Referenztaktgeber mit SSC
- Unterstützt 2 x4 Bifurkation
- On-Chip Eye Opening Monitor (EOM) und PCIe-Empfangsmargining-Fähigkeit
- Adaptiver zeitlinearer Equalizer (CTLE) und DFE (Decision Feedback Equalizer) unterstützen maximal PCIe Gen-4 Kanalverlust
- Unterstützt Entzerrungstraining
- I2C-Konfiguration (bis zu 1 MHz) über den externen EEPROM oder I2C-Regler
- Architektur mit niedriger Latenzzeit
- Kleines 8,50 mm x 13,40 mm BGA-Gehäuse
- Kompatibel mit der Standard 1 mm BGA PCB-Herstellung
- 1,17 V und 1,8 V duale Stromversorgung
- -40 °C bis 85 °C industrieller Temperaturbereich
Applikationen
- Rack Servers
- Hardware-Beschleuniger
- Hochleistungscomputer
- Tower-Server
Schaltschema
Veröffentlichungsdatum: 2024-04-17
| Aktualisiert: 2024-06-28
