Analog Devices Inc. DC2922A-A/DC2922A-B Demonstrationsschaltungen für LTC7802
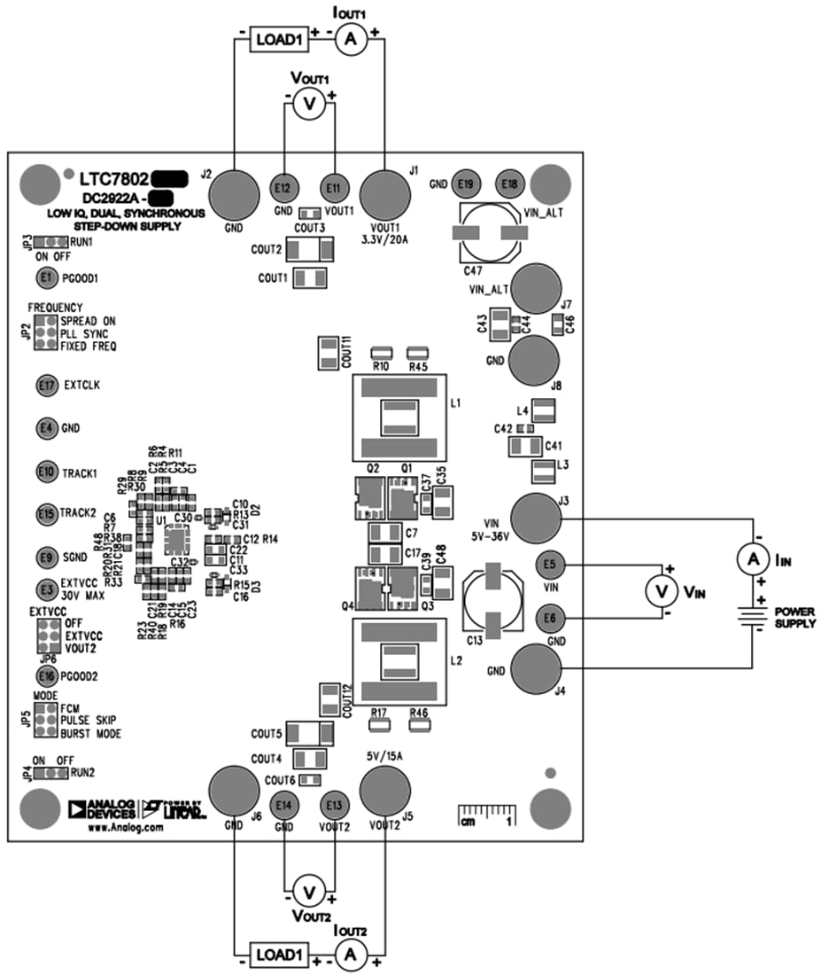
Analog Devices Inc. DC2922A-A/DC2922A-B Demonstrationsschaltungen sind duale DC/DC-Abwärtswandler, die über die LTC®7802 oder LTC7802-3.3 PWM-Controller verfügen. Beide Controller-ICs, die auf diesen Demonstrationsboards verwendet werden, sind synchrone 40-V-Dual-2-Phasen-Abwärtsregler mit Frequenzspreizung. Und beide Demonstrationsboards werden über einen Eingangsspannungsbereich von 5 V bis 36 V betrieben und bieten 3,3 V bei 20-A- und 5 V bei 15-A-Ausgängen. Das DC2922A-A verwendet den LTC7802 und verfügt über ein Widerstandsteiler-Netzwerk zur Einstellung des 3,3-V-Ausgangs. Das DC2922A-B verwendet den LTC7802-3.3 und verfügt über einen festen 3,3-V-Ausgang, ohne dass das Widerstandsteiler-Netzwerk erforderlich ist.Einige der wichtigsten Funktionen der DC2922A-A/DC2922A-B Boards von Analog Devices Inc. umfassen eine FREQUENCY-Steckbrücke für eine Frequenzspreizung oder eine externe Taktgeberoption. Darüber hinaus verfügt das Board über eine EXTVCC-Steckbrücke für VOUT2, EXTVCC oder von einem Eingang abgeleiteter VCC, eine MODE-Steckbrücke, die dem Wandler den Betrieb im FCM-Modus, Pulse-Skipping-Modus oder Burst Mode® und PGOOD-Signale für jeden Ausgang ermöglichen. Die zwei Kanäle können für einen höheren Ausgangsstrom parallel geschaltet werden.
Einrichtung der Ausrüstung
Veröffentlichungsdatum: 2021-08-06
| Aktualisiert: 2022-03-11
